SKFNUP236ECMA*轴承详细参数

发布时间:2026-04-14
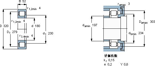
圆柱滚子轴承, 单列, NUP 设计
主要数据尺寸 基本负荷额定值 疲劳负荷限值 额定速度 体积 型号 适宜的斜挡圈
动态 静态 参照速度 限制速度 型号
d D B C C0 Pu * - SKF Explorer 轴承
mm kN kN r/min kg - -
18032052720850882200320021,0NUP 236 ECMA *-

SKFNUP236ECMA*圆柱滚子轴承供应商

八零动力专业销售NUP236ECMA*圆柱滚子轴承,库存SKFNUP236ECMA*大量现货,与SKF合作,咨询热线:022-58519723业务咨询
SKFNUP236ECMA*先进的制造技术和严格的质量控制,造就了这款优质轴承出色的性能表现,让这款轴承成为行业内的明星产品,它的抗剪切性能,确保了它的结构稳定性 轴承的耐用性极佳,为设备的长期稳定运行提供了保障设计合理、性能优良的它,是机械设备实现高效运行的重要保障卓越的性能和可靠的质量,让这款轴承成为市场的宠儿,八零动力SKF圆柱滚子轴承品种全,价格优,质量有保证!

用户关注最多的SKF轴承型号

SKF33213TN9/Q SKF418/414/Q SKF7011FB/P7 SKF71806ACD/P4 SKF71902C/DF SKF891/1120M SKFAHX2319 SKFC2209KV+H309E* SKFC3164KM* SKFCR510x560x25HDS1D SKFOKBS103 SKFPCZ2624M SKFPL88 SKFSNL3140TURT SKFVJ-PDNB318

NUP236ECMA*圆柱滚子轴承近似的SKF轴承型号

SKFNUP236E SKFNU2360ECMA SKFNU2236ECMA SKFNJ2236ECM* SKFNJ2236ECMA* SKFNUP236ECMA* SKFNJ236E SKFNU2236ECM* SKFNJ2236E+HJ2236E SKFNJ236ECMA* SKFNUP236ECMA SKFNUP238E

用户关注最多的轴承狗热门型号

SNR  7011AC KOYO  NJ2226E NACHI  6306-2NSE NACHI  7307DB ZKL  NJ422 TIMKEN  150RT51 INA  GE16-LO LYC  6006 E/P6Z1 MRC  7309B/DF FAG  B7030-C-T-P4S INA  TKD15 NACHI  29238E NACHI  220KBE02 SKF  7209C/DT SKF  FYNT70F

版权所有©2009-2015 轴承狗zcgou.com ICP备案:津ICP备14004550号-13