SKFNUP2328ECMA*轴承详细参数

发布时间:2026-04-15
圆柱滚子轴承, 单列, NUP 设计
主要数据尺寸 基本负荷额定值 疲劳负荷限值 额定速度 体积 型号 适宜的斜挡圈
动态 静态 参照速度 限制速度 型号
d D B C C0 Pu * - SKF Explorer 轴承
mm kN kN r/min kg - -
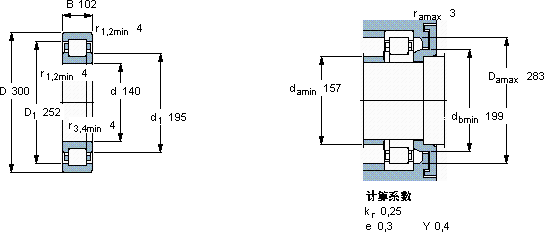
140300102120014301502400360037,5NUP 2328 ECMA *-

SKFNUP2328ECMA*圆柱滚子轴承供应商

八零动力专业销售NUP2328ECMA*圆柱滚子轴承,库存SKFNUP2328ECMA*大量现货,与SKF合作,咨询热线:022-58519723业务咨询
SKFNUP2328ECMA*高品质的轴承,在各种复杂工况下都能展现出卓越的性能表现它的制造工艺,堪称工业艺术的典范 它的抗冲击能力,让它经久不衰 让您的机械如虎添翼,它的沟槽设计,完美匹配滚动体的运动轨迹 它的精准度,让机械运转分毫不差 ,八零动力SKF圆柱滚子轴承品种全,价格优,质量有保证!

用户关注最多的SKF轴承型号

SKF6005-2RSL* SKF6213N* SKF71817CD/HCP4A SKF71919C/DT SKF80780/80720/CL3 SKFCR38X62X8HMS5V SKFCR99122 SKFFYRP3 SKFNCF2956CV SKFNK70/25 SKFNU202ECP SKFYAT205 SKFSY2.3/4TF/AH SKFSYE2.15/16H SKFUELP210

NUP2328ECMA*圆柱滚子轴承近似的SKF轴承型号

SKFN2328 SKFNJG2328VH SKFNJ2328ECMA SKFNJ2328E+HJ2328E SKFNUP2328E SKFNU2328ECMA SKFNU2328E SKFNJG2328VH SKFNU2328ECMA* SKFNJ2328ECMA* SKFNUP2328ECMA SKFNUP232E

用户关注最多的轴承狗热门型号

FAG  H3132-HG SKF  CR55X85X8HMS5V NTN  30203 SKF  CRMVR2-65 NSK  7310BYDB SKF  CR25X52X10HMSA10RG FLT  NJ244 SKF  21312CC SKF  AH24140 SKF  NU18/1700ECMA/HB1 KOYO  NJ2318 SKF  NJ208ECM* TIMKEN  936/932-B INA  WS81130 RHP  6220-2RS

版权所有©2009-2015 轴承狗zcgou.com ICP备案:津ICP备14004550号-13