SKFNUP2326ECMA*轴承详细参数

发布时间:2026-04-15
圆柱滚子轴承, 单列, NUP 设计
主要数据尺寸 基本负荷额定值 疲劳负荷限值 额定速度 体积 型号 适宜的斜挡圈
动态 静态 参照速度 限制速度 型号
d D B C C0 Pu * - SKF Explorer 轴承
mm kN kN r/min kg - -
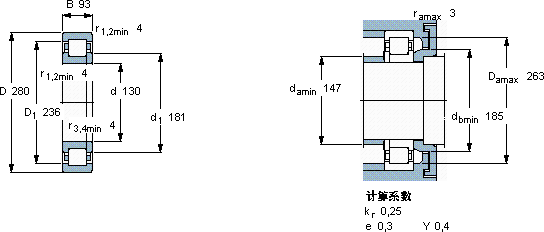
13028093106012501372400380031,0NUP 2326 ECMA *-

SKFNUP2326ECMA*圆柱滚子轴承供应商

八零动力专业销售NUP2326ECMA*圆柱滚子轴承,库存SKFNUP2326ECMA*大量现货,与SKF合作,咨询热线:022-58519723业务咨询
SKFNUP2326ECMA*制造工艺精湛,使得这款轴承的精度和稳定性都非常出色这款轴承的精度极高,能够满足对精度要求苛刻的设备它的加工设备,代表了世界领先水平 制造工艺精湛,使得这款轴承的精度、稳定性和耐用性都非常出色它的耐磨性能,让它在恶劣环境下依然稳定运行 制造工艺精湛,使得这款轴承在运转时更加顺畅平稳,八零动力SKF圆柱滚子轴承品种全,价格优,质量有保证!

用户关注最多的SKF轴承型号

SKF231/710CAK/W33+AOH31/710 SKF230/560CAK/W33+OH30/560H* SKF54208 SKF7026C SKFCR105X130X12HMS5RG SKFCR1425580 SKFCR20X34X7HMSA10V SKFCR32X42X4HM4R SKFCR33206 SKFCR36363 SKFCR9997 SKFM239448A/410 SKFMB10 SKFPL52 SKFS71922ACD/P4A

NUP2326ECMA*圆柱滚子轴承近似的SKF轴承型号

SKFNJG2326VH SKFNU2326ECMA* SKFNJ2326ECMA SKFNU2326ECMA SKFNJ2326E SKFNJG2326VH SKFNUP2326ECMA* SKFNJ2326ECPA* SKFNU2326E SKFNJ2326E+HJ2326E SKFNUP2326ECMA SKFNUP2328E

用户关注最多的轴承狗热门型号

NSK  52407 SKF  628/9-Z NSK  6804DD FAG  1222-K-M-C3 + H222 FAG  2205-K-2RS-TVH-C3 + H305 FAG  B7206-E-2RSD-T-P4S NTN  7201C AET  NU210 FAG  SD538-N-FZ-BL-L + 22238-K-MB NTN  22315BK 国产  32064 SKF  23156CACK/W33 KOYO  NJ210 LYC  6316 E/P5 INA  GS81144

版权所有©2009-2015 轴承狗zcgou.com ICP备案:津ICP备14004550号-13