SKFNUP2324ECMA*轴承详细参数

发布时间:2026-05-03
圆柱滚子轴承, 单列, NUP 设计
主要数据尺寸 基本负荷额定值 疲劳负荷限值 额定速度 体积 型号 适宜的斜挡圈
动态 静态 参照速度 限制速度 型号
d D B C C0 Pu * - SKF Explorer 轴承
mm kN kN r/min kg - -
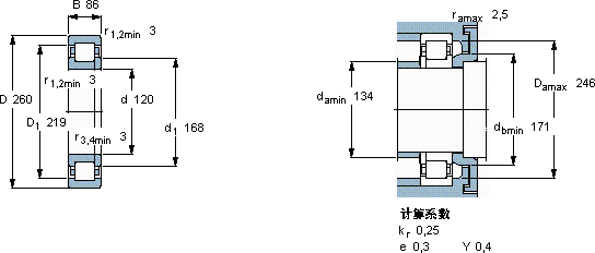
1202608691510401162800430024,3NUP 2324 ECMA *-

SKFNUP2324ECMA*圆柱滚子轴承供应商

八零动力专业销售NUP2324ECMA*圆柱滚子轴承,库存SKFNUP2324ECMA*大量现货,与SKF合作,咨询热线:022-58519723业务咨询
SKFNUP2324ECMA*为您的机械提供持久动力,这轴承的制造工艺精湛,展现出了极高的工业水准始终顺滑如初,它的沟槽设计,完美匹配滚动体的运动轨迹 它的旋转精度,让高速运转成为现实 它的密封性能,减少了润滑剂的泄漏 ,八零动力SKF圆柱滚子轴承品种全,价格优,质量有保证!

用户关注最多的SKF轴承型号

SKF2206E-2RS1TN9 SKF23220CCK/W33+AHX3220* SKF32218J2/Q SKF32224J2/DF SKF6210-2RS1/HC5C3WT SKF7013C/DB SKF71913ACD/HCP4A SKF7203AC/DB SKFCR403004 SKFIR160x175x40 SKFIR8x12x10IS1 SKFNU316ECM* SKFS71926ACD/HCP4A SKFTU40FM SKFYAR215-211-2F

NUP2324ECMA*圆柱滚子轴承近似的SKF轴承型号

SKFNJ2324ECMA* SKFN2324 SKFNUP2324ECMA* SKFNU2324E SKFNU2324ECMA SKFNUP2324E SKFNU2324ECM* SKFNU2324ECMA* SKFNJG2324VH SKFNJ2324E SKFNUP2324ECMA SKFNUP2326E

用户关注最多的轴承狗热门型号

MAC  NJ2307 KOYO  33208 国产  7207CTA SKF  GE70ES-2RS STEYR  6211N 国产  NJ304M INA  KGSNG12-PP-AS NACHI  130KBE030 MRC  7004AC/DT FAG  B71944-E-T-P4S INA  LFS52-CHE NSK  7311ADF FAG  BND2226-H-W-Y-AL-S STEYR  7240B KOYO  6015

版权所有©2009-2015 轴承狗zcgou.com ICP备案:津ICP备14004550号-13