SKFNUP2320ECP*轴承详细参数

发布时间:2026-04-14
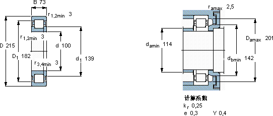
圆柱滚子轴承, 单列, NUP 设计
主要数据尺寸 基本负荷额定值 疲劳负荷限值 额定速度 体积 型号 适宜的斜挡圈
动态 静态 参照速度 限制速度 型号
d D B C C0 Pu * - SKF Explorer 轴承
mm kN kN r/min kg - -
10021573670735853200380012,5NUP 2320 ECP *-

SKFNUP2320ECP*圆柱滚子轴承供应商

八零动力专业销售NUP2320ECP*圆柱滚子轴承,库存SKFNUP2320ECP*大量现货,与SKF合作,咨询热线:022-58519723业务咨询
SKFNUP2320ECP*它的高效率,减少了能源消耗 这款轴承的性能卓越,有效提升了设备的整体性能和可靠性制造工艺精湛,使得这款轴承在运转时更加顺畅平稳它的抗磨损涂层,让它更加耐用 它的抗拉强度,让它经得起各种考验 运转起来如此顺滑,这款轴承的制造工艺着实令人赞叹,八零动力SKF圆柱滚子轴承品种全,价格优,质量有保证!

用户关注最多的SKF轴承型号

SKF30306J2/Q SKF31313J2/QCL7CDF SKF32038X/DF SKF32311BRJ2/QCL7C* SKF61801-2RS SKF71903ACD/P4A SKF7207BECBM SKFC4015V* SKFCR19786 SKFCR2000239 SKFCR22647 SKFCR950.01x1000x25HDS1R SKFNJ319E+HJ319E SKFP80R-35FM SKFRNA6907

NUP2320ECP*圆柱滚子轴承近似的SKF轴承型号

SKFNU2320ECJ* SKFNJ2320ECP* SKFNJ2320ECJ* SKFN2320 SKFNJ2320E SKFNUP2320ECP SKFNJG2320VH SKFNU2320ECKML* SKFNJ2320ECP SKFNU2320ECP* SKFNUP2320ECML* SKFNUP2322E

用户关注最多的轴承狗热门型号

国产  QJF324M KOYO  NJ2338 RHP  7203C/DB SKF  SAF22528x4.13/16 SKF  29452 NSK  7026ATYNDBLP4 RIV  NJ318 TIMKEN  475/472A SKF  SYR2.H-3 SKF  SAF23026KAx4.7/16 STEYR  53200 TIMKEN  94649/94114CD TIMKEN  T691 LYC  NA 6/180/P6 IKO  CFE20VUU

版权所有©2009-2015 轴承狗zcgou.com ICP备案:津ICP备14004550号-13