SKFNUP2318ECP*轴承详细参数

发布时间:2026-04-15
圆柱滚子轴承, 单列, NUP 设计
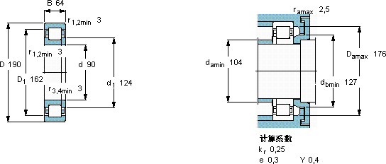
主要数据尺寸 基本负荷额定值 疲劳负荷限值 额定速度 体积 型号 适宜的斜挡圈
动态 静态 参照速度 限制速度 型号
d D B C C0 Pu * - SKF Explorer 轴承
mm kN kN r/min kg - -
901906450054065,5380045008,15NUP 2318 ECP *-

SKFNUP2318ECP*圆柱滚子轴承供应商

八零动力专业销售NUP2318ECP*圆柱滚子轴承,库存SKFNUP2318ECP*大量现货,与SKF合作,咨询热线:022-58519723业务咨询
SKFNUP2318ECP*它的质量卓越,为机械设备的安全运行保驾护航其设计和制造都达到了极高的水准,是一款不可多得的轴承它在冶金设备中的应用,确保了设备的高温性能 它的精密设计,展现了人类智慧的巅峰 它在医疗设备中的应用,确保了设备的稳定性 它在食品机械中的应用,展现了它的卫生性能 ,八零动力SKF圆柱滚子轴承品种全,价格优,质量有保证!

用户关注最多的SKF轴承型号

SKF22324-2CS5/VT143* SKF239/900CAK/W33* SKF29388EM SKF618/630MA SKF6210/VA201 SKF71902C/DF SKFAOH3276G SKFCR1000x1050x23HDS2R SKFFYT3/4TF SKFH2326 SKFNNU6072M SKFNU230ECJ* SKFPCM151712M SKFQJ304 SKFW6006-2RS1

NUP2318ECP*圆柱滚子轴承近似的SKF轴承型号

SKFN2318 SKFNJ2318ECML* SKFNJ2318ECJ* SKFNU2318ECP SKFNJ2318E SKFNUP2318ECML* SKFNU2318ECJ* SKFNU2318ECM* SKFNUP2318ECP* SKFNU2318ECP* SKFNUP2318ECML* SKFNUP2319E

用户关注最多的轴承狗热门型号

FAG  SNV250-L + 22228-E1-K + H3128 + FSV528 SKF  CR60X80X8HMS5V FAG  ZRB38X62-QP MAC  NU420 FAG  NJ348-E-M1 SKF  CR15x35x7CRW1R SKF  NJ320E SKF  234415B 国产  6302-Z/Z3 RHP  6217 STEYR  51212 RHP  6311-RS NSK  53334X TIMKEN  L327249/L327210D+L327249XB IKO  NURT35

版权所有©2009-2015 轴承狗zcgou.com ICP备案:津ICP备14004550号-13