SKFNUP2316ECP*轴承详细参数

发布时间:2026-05-30
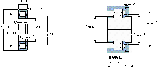
圆柱滚子轴承, 单列, NUP 设计
主要数据尺寸 基本负荷额定值 疲劳负荷限值 额定速度 体积 型号 适宜的斜挡圈
动态 静态 参照速度 限制速度 型号
d D B C C0 Pu * - SKF Explorer 轴承
mm kN kN r/min kg - -
801705841544055430050006,60NUP 2316 ECP *-

SKFNUP2316ECP*圆柱滚子轴承供应商

八零动力专业销售NUP2316ECP*圆柱滚子轴承,库存SKFNUP2316ECP*大量现货,与SKF合作,咨询热线:022-58519723业务咨询
SKFNUP2316ECP*轴承的精度和稳定性都达到了行业顶尖水平它的耐用性,赢得了无数用户的信赖 它的品质卓越,为机械设备的高效、稳定运行保驾护航它的材质选择,体现了对耐用性的极致追求 它在机器人领域的应用,展现了它的高精密性 要设备更出色,八零动力SKF圆柱滚子轴承品种全,价格优,质量有保证!

用户关注最多的SKF轴承型号

SKF61803-RZ SKF61928MA SKF7014C SKFC3028K* SKFCR100X120X10HMSA10V SKFCR2470 SKFCR25X35X7HMS5V SKFCR41X56X7HMSA10RG SKFFYR1.3/4H SKFGE45CJ2 SKFNU2060ECMA SKFP62R-1.TF SKFSAFC2522 SKFSAFC2538 SKFSYF25FM

NUP2316ECP*圆柱滚子轴承近似的SKF轴承型号

SKFNJG2316VH SKFNUP2316E SKFNJ2316ECP SKFNJ2316ECML* SKFNJ2316E+HJ2316E SKFNJ2316ECP* SKFN2316. SKFNUP2316ECP* SKFNU2316ECP* SKFNJ2316ECM* SKFNUP2316ECML* SKFNUP2317E

用户关注最多的轴承狗热门型号

FAG  634-2Z INA  RUKS35-D-A-SO DKF  7340B/DF MRC  7224B/DB NSK  RCB-101416-FS TIMKEN  NJ309E.TVP INA  RMWE15-RB/119x../52 NSK  7334BDF FAG  SD3144-H-TS-BL-L + 231SM200-MA NSK  6984M KOYO  51220 TIMKEN  74510D/74856 LYC  351088 LYC  NAV 4930/C3 TORRINGTON  23040CC/W33

版权所有©2009-2015 轴承狗zcgou.com ICP备案:津ICP备14004550号-13