SKFNUP2314ECP*轴承详细参数

发布时间:2026-04-14
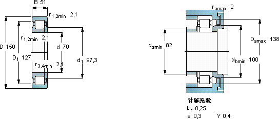
圆柱滚子轴承, 单列, NUP 设计
主要数据尺寸 基本负荷额定值 疲劳负荷限值 额定速度 体积 型号 适宜的斜挡圈
动态 静态 参照速度 限制速度 型号
d D B C C0 Pu * - SKF Explorer 轴承
mm kN kN r/min kg - -
701505131532541,5480056004,15NUP 2314 ECP *-

SKFNUP2314ECP*圆柱滚子轴承供应商

八零动力专业销售NUP2314ECP*圆柱滚子轴承,库存SKFNUP2314ECP*大量现货,与SKF合作,咨询热线:022-58519723业务咨询
SKFNUP2314ECP*它的低噪音设计,减少了对环境的噪音污染 它的品质卓越,为机械设备的高效运行提供了坚实后盾先进的制造技术和严格的质量控制,造就了这款优质轴承该轴承的性能卓越,完全满足了各种严苛工况的需求它的抗磨损涂层,让它更加耐用 它的长寿命,减少了更换频率 ,八零动力SKF圆柱滚子轴承品种全,价格优,质量有保证!

用户关注最多的SKF轴承型号

SKF23040CC/W33* SKF63005-2RS1 SKF7010C/DT SKFBTM60A/HCP4CDBB SKFC2217K* SKFC71906FB/P7 SKFCR30X50X8HMS5RG SKFCR400101 SKFFSYE3.11/16H-3 SKFFYT3/4TF/VA201 SKFN326E SKFNU1038ML* SKFNUP19/670ECMA SKFW61902-2Z SKFWS81124

NUP2314ECP*圆柱滚子轴承近似的SKF轴承型号

SKFNJ2314ECML* SKFNJG2314VH SKFN2314 SKFNU2314E SKFNJG2314VH SKFNU2314ECML* SKFNJ2314E SKFNUP2314ECP SKFNUP2314ECP* SKFNJ2314ECP* SKFNUP2314ECML* SKFNUP2315E

用户关注最多的轴承狗热门型号

SKF  PCM151715B RHP  QJ321 SKF  FYR1.7/16 FAG  BND2240-H-C-T-BL-S KOYO  2688/31 LYC  LY-N027 SKF  CR26X38X7HMSA10RG SKF  2x466896 SKF  NU319ECM* MRC  6012-2Z SKF  6302-RS SKF  CR57519 NTN  29460 TORRINGTON FAFNIR  6336 IKO  OR121820A

版权所有©2009-2015 轴承狗zcgou.com ICP备案:津ICP备14004550号-13