SKFNUP2311ECP*轴承详细参数

发布时间:2026-04-14
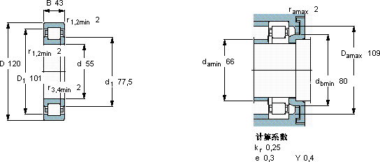
圆柱滚子轴承, 单列, NUP 设计
主要数据尺寸 基本负荷额定值 疲劳负荷限值 额定速度 体积 型号 适宜的斜挡圈
动态 静态 参照速度 限制速度 型号
d D B C C0 Pu * - SKF Explorer 轴承
mm kN kN r/min kg - -
551204323223230,5600070002,35NUP 2311 ECP *-

SKFNUP2311ECP*圆柱滚子轴承供应商

八零动力专业销售NUP2311ECP*圆柱滚子轴承,库存SKFNUP2311ECP*大量现货,与SKF合作,咨询热线:022-58519723业务咨询
SKFNUP2311ECP*转动不停歇它的耐高温性能,让它在极端环境下依然稳定运行 它的润滑技术,减少了润滑剂的使用 它的精密测量技术,确保了每一件产品的品质 先进的制造技术,让这款轴承的质量达到了行业领先水平它的稳定性,让它在各种环境下都能可靠工作 ,八零动力SKF圆柱滚子轴承品种全,价格优,质量有保证!

用户关注最多的SKF轴承型号

SKF24026CC/W33* SKF33019/QDF SKF7009CD/HCP4A SKF7221ACD/P4A SKF7302B/DT SKF7316B SKFC4020V* SKFCR38X58X8HMSA10V SKFCR411603 SKFCR74310 SKFCR7453 SKFFYJ85TF SKFNUP2216ECM* SKFOKC1000 SKFSY50TF/VA201

NUP2311ECP*圆柱滚子轴承近似的SKF轴承型号

SKFNU2311ECML* SKFNJ2311E+HJ2311E SKFNJ2311ECML* SKFNU2311ECP* SKFNUP2311ECP* SKFNUP2311E SKFNJ2311ECP* SKFNJG2311VH SKFN2311 SKFNU2311ECKML* SKFNUP2311ECML* SKFNUP2312E

用户关注最多的轴承狗热门型号

ZKL  N232 MRC  7002AC/DB NSK  NN3015MBKR NSK  7208BYDB NSK  6810DDU SKF  CR55X100X13CRSH13R SKF  PFT1/2TF SKF  C3188KMB+OH3188HE* RHP  6312-Z SKF  CRMVR2-85 SKF  CR90163 FAG  SNV080-L + 1208-TVH + DH208 INA  RWS1808-200/x200/x38 MRC  7001C/DT SNR  7340C/DT

版权所有©2009-2015 轴承狗zcgou.com ICP备案:津ICP备14004550号-13