SKFNUP226ECP*轴承详细参数

发布时间:2026-04-14
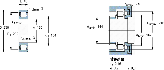
圆柱滚子轴承, 单列, NUP 设计
主要数据尺寸 基本负荷额定值 疲劳负荷限值 额定速度 体积 型号 适宜的斜挡圈
动态 静态 参照速度 限制速度 型号
d D B C C0 Pu * - SKF Explorer 轴承
mm kN kN r/min kg - -
1302304041545551320034006,75NUP 226 ECP *-

SKFNUP226ECP*圆柱滚子轴承供应商

八零动力专业销售NUP226ECP*圆柱滚子轴承,库存SKFNUP226ECP*大量现货,与SKF合作,咨询热线:022-58519723业务咨询
SKFNUP226ECP*它在化工设备中的应用,展现了它的耐腐蚀性 优秀的轴承,就像精密仪器的心脏,确保着整个系统的高效运转其设计和制造都达到了极高的水准,是一款不可多得的轴承它的耐腐蚀性,减少了维护成本 为您的工程保驾护航,质量无可比拟的轴承,在行业内树立了良好的品质标杆,八零动力SKF圆柱滚子轴承品种全,价格优,质量有保证!

用户关注最多的SKF轴承型号

SKF22334CCK/W33+AH2334G* SKF248/1120CAFA/W20 SKF32060X SKF33211/Q SKF7017AC SKF7019ACD/P4A SKFCR15660 SKFCR36x60x8CRW1R SKFCR62X80X10HMSA10RG SKFCR87070 SKFCR9934 SKFGS89414 SKFPCZ0708M SKFSY1.3/16PF/AH SKFZ012

NUP226ECP*圆柱滚子轴承近似的SKF轴承型号

SKFNJ226ECJ* SKFNU2226ECML* SKFNJ2226ECP* SKFNU2260MA SKFNU226ECML* SKFNU2264ECMA SKFNU226ECP SKFNUP2226ECML* SKFNU2226ECP* SKFNU2260MA SKFNUP226ECML* SKFNUP228E

用户关注最多的轴承狗热门型号

NTN  6203-Z SKF  NCF3080CV SKF  CR335x375x18HDS1R TIMKEN  677/672D+X1S-677 MAC  NUP219 NSK  7902CTYNP5 NSK  51203 FAG  LOE618-N-AL-L STEYR  NJ2240 STEYR  3208 NACHI  NF215 STEYR  609-Z NTN  6300-2Z TIMKEN  L102849/L102810-B IKO  LBE8UUAJ

版权所有©2009-2015 轴承狗zcgou.com ICP备案:津ICP备14004550号-13