SKFNUP2220ECP*轴承详细参数

发布时间:2026-04-14
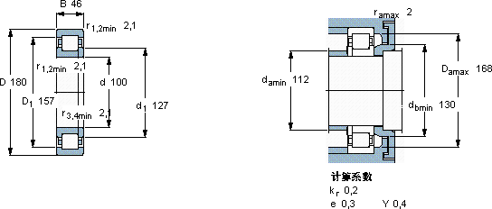
圆柱滚子轴承, 单列, NUP 设计
主要数据尺寸 基本负荷额定值 疲劳负荷限值 额定速度 体积 型号 适宜的斜挡圈
动态 静态 参照速度 限制速度 型号
d D B C C0 Pu * - SKF Explorer 轴承
mm kN kN r/min kg - -
1001804638045054400045004,90NUP 2220 ECP *-

SKFNUP2220ECP*圆柱滚子轴承供应商

八零动力专业销售NUP2220ECP*圆柱滚子轴承,库存SKFNUP2220ECP*大量现货,与SKF合作,咨询热线:022-58519723业务咨询
SKFNUP2220ECP*它在农业机械中的应用,展现了它的耐用性 它的可靠性,赢得了无数用户的信赖 它的抗冲击能力,让它经久不衰 卓越的设计理念,赋予了这款轴承超凡的性能它的精密装配,确保了整体性能的卓越 它的疲劳强度,确保了长期使用的可靠性 ,八零动力SKF圆柱滚子轴承品种全,价格优,质量有保证!

用户关注最多的SKF轴承型号

SKF24028-2CS5/VT143* SKF241/500ECAK30/W33* SKF30220J2 SKF3202A-2RS1 SKF51136M SKF6204-ZNR* SKF71820ACD/HCP4 SKFC3048K+AOH3048* SKFCR12361 SKFCR19974 SKFCR419993 SKFCR50X70X10HMSA10RG SKFCR9515 SKFMS30/670 SKFNNCF4918CV

NUP2220ECP*圆柱滚子轴承近似的SKF轴承型号

SKFNUP2220E SKFNU2220ECM* SKFNU2220ECJ* SKFNU2220ECML* SKFNJ2220ECP* SKFNJ2220E+HJ2220E SKFNJ2220E SKFNU2220ECP SKFNUP2220ECML* SKFNUP2220ECP SKFNUP2220ECML* SKFNUP2222E

用户关注最多的轴承狗热门型号

NACHI  5208ANS TORRINGTON  22236CCK/W33+H3136 NTN  6311N FLT  NU2213 TIMKEN  K17X20X10 AET  NU321 RIV  NF319 LYC  6306 ETN1 MAC  N214 LYC  81112 FAG  HSS71915-C-T-P4S 国产  6301-2Z MRC  QJ218 LYC  787/1300G2 IKO  CRBC700150

版权所有©2009-2015 轴承狗zcgou.com ICP备案:津ICP备14004550号-13