SKFNUP2217ECP*轴承详细参数

发布时间:2026-04-15
圆柱滚子轴承, 单列, NUP 设计
主要数据尺寸 基本负荷额定值 疲劳负荷限值 额定速度 体积 型号 适宜的斜挡圈
动态 静态 参照速度 限制速度 型号
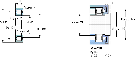
d D B C C0 Pu * - SKF Explorer 轴承
mm kN kN r/min kg - -
851503625028034,5480053002,65NUP 2217 ECP *-

SKFNUP2217ECP*圆柱滚子轴承供应商

八零动力专业销售NUP2217ECP*圆柱滚子轴承,库存SKFNUP2217ECP*大量现货,与SKF合作,咨询热线:022-58519723业务咨询
SKFNUP2217ECP*它的径向跳动控制,达到了行业顶尖水平 它的可靠性,赢得了无数用户的信赖 它的耐高温性能,减少了冷却系统的能耗 轴承的耐用性极佳,为设备的长期稳定运行提供了保障它的精密装配,确保了整体性能的卓越 它在化工设备中的应用,展现了它的耐腐蚀性 ,八零动力SKF圆柱滚子轴承品种全,价格优,质量有保证!

用户关注最多的SKF轴承型号

SKF51203V/HR11Q1 SKF71830ACD/HCP4 SKF71907C/DT SKF7210BECBY SKFBK2516 SKFBK3016 SKFBT4B332827AG/HA1 SKFC4134V* SKFCR1000119 SKFCR130X160X13CRSA1R SKFCR14887 SKFCR32502 SKFMS31/670 SKFPCM100105115B SKFSIA80ES-2RS

NUP2217ECP*圆柱滚子轴承近似的SKF轴承型号

SKFBCRB322176 SKFNJ2217ECJ* SKFNUP2217ECP* SKFNJ2217ECP* SKFNJ2217E SKFNU2217ECP* SKFNU2217E SKFNJ2217E+HJ2217E SKFNU2217ECM* SKFNUP2217ECML* SKFNUP2217ECML* SKFNUP2218E

用户关注最多的轴承狗热门型号

国产  NN3010K STEYR  N328 NACHI  NU1009 TIMKEN  HM54 SKF  NCF3056CV TIMKEN  H715334/H715310 SKF  BT4B328974G/HA1VA901 NSK  5210 INA  LSL192336-TB NACHI  230/560EW33 LYC  23156 CAK/C3W33 KOYO  NN3064 FLT  NJ207 SKF  C30/850KMB+AOH30/850* NSK  80BER20SV1V

版权所有©2009-2015 轴承狗zcgou.com ICP备案:津ICP备14004550号-13