SKFNUP2214ECP*轴承详细参数

发布时间:2026-05-30
圆柱滚子轴承, 单列, NUP 设计
主要数据尺寸 基本负荷额定值 疲劳负荷限值 额定速度 体积 型号 适宜的斜挡圈
动态 静态 参照速度 限制速度 型号
d D B C C0 Pu * - SKF Explorer 轴承
mm kN kN r/min kg - -
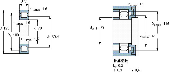
701253118019325,5600063001,55NUP 2214 ECP *-

SKFNUP2214ECP*圆柱滚子轴承供应商

八零动力专业销售NUP2214ECP*圆柱滚子轴承,库存SKFNUP2214ECP*大量现货,与SKF合作,咨询热线:022-58519723业务咨询
SKFNUP2214ECP*它在机器人领域的应用,展现了它的高精密性 先进的制造技术,让这款轴承的质量达到了行业领先水平设计合理、性能优良的它,是机械设备实现高效运行的重要保障其设计和制造工艺都达到了国际先进水平,是一款优质轴承是您成功路上的得力助手,匠心制造,八零动力SKF圆柱滚子轴承品种全,价格优,质量有保证!

用户关注最多的SKF轴承型号

SKF32020X/QDF SKF54307U SKF7014CE/P4A SKF71901C/DT SKF7234C/DT SKFBEAS020052-2Z SKFBFSB353901/HA4 SKFBT4B334093G/HA1VA901 SKFCR195X220X16CRSH13R SKFCR3750272 SKFCR86435 SKFGE300ES SKFNJ322ECP* SKFNU215E SKFS7021ACD/P4A

NUP2214ECP*圆柱滚子轴承近似的SKF轴承型号

SKFNU2214ECP* SKFNUP2214ECP SKFNU2214ECP SKFNU2214ECM* SKFNUP2214ECML* SKFNJ2214ECP* SKFBC4B322143/HB3 SKFNUP2214ECNM* SKFNJ2214ECML* SKFNU2214ECJ* SKFNUP2214ECNM* SKFNUP2215E

用户关注最多的轴承狗热门型号

FAG  22316-E1-K + AHX2316 RHP  7318B/DT SKF  NU2317ECM* MAC  NU214 SKF  CR47x72x8CRW1R TORRINGTON FAFNIR  6210N NSK  RLM172520-1 LYC  GEEW60ES NSK  6048M LYC  22214 CK/C3W33 LYC  7518E(内组件) FLT  NU1034 NACHI  7317BDT TIMKEN  370A/362A IKO  KT182417

版权所有©2009-2015 轴承狗zcgou.com ICP备案:津ICP备14004550号-13