SKFNUP218ECM*轴承详细参数

发布时间:2026-04-15
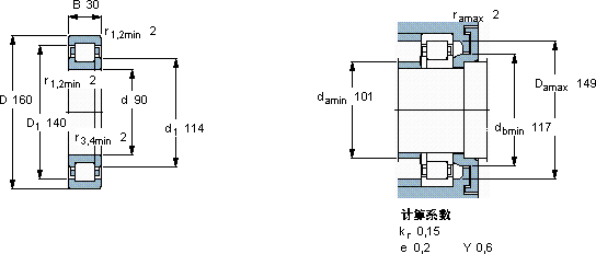
圆柱滚子轴承, 单列, NUP 设计
主要数据尺寸 基本负荷额定值 疲劳负荷限值 额定速度 体积 型号 适宜的斜挡圈
动态 静态 参照速度 限制速度 型号
d D B C C0 Pu * - SKF Explorer 轴承
mm kN kN r/min kg - -
901603020822027450050002,45NUP 218 ECM *-

SKFNUP218ECM*圆柱滚子轴承供应商

八零动力专业销售NUP218ECM*圆柱滚子轴承,库存SKFNUP218ECM*大量现货,与SKF合作,咨询热线:022-58519723业务咨询
SKFNUP218ECM*它的精密设计,展现了人类智慧的巅峰 这款轴承的运转十分平稳,几乎感受不到任何震动它的高效率,让机械运转更加节能 质量上乘的轴承,是提升机械设备性能的关键因素转动世界的精密之选,性能优越的轴承,极大地提升了设备的工作性能和效率,八零动力SKF圆柱滚子轴承品种全,价格优,质量有保证!

用户关注最多的SKF轴承型号

SKF24056CACK30/W33 SKF31319J2/DF SKF4204ATN9 SKF87737/87111 SKFC3164M* SKFFY1.5/16TF SKFFYTJ1.TF SKFHM903249/2/210/QCL7C SKFNJ213E+HJ213E SKFNJ321ECP* SKFPWM9511060 SKFSDAF22626 SKFSYH1.15/16TF SKFYAR206-103-2RF/HV SKFYSA206-2FK

NUP218ECM*圆柱滚子轴承近似的SKF轴承型号

SKFNU2218E SKFN218ECP SKFNUP218E SKFBC4B322189 SKFNUP218ECM* SKFNUP218ECP* SKFNUP218ECML* SKFNJ218ECM* SKFNJ218E+HJ218E SKFNJ2218ECP* SKFNUP218ECP SKFNUP218ECML*

用户关注最多的轴承狗热门型号

ASAHI  UCFU306 LYC  6080 B NTN  NU2220 FAG  625-2RSR SKF  32013X/Q SKF  RNA6914 LYC  7014 AC/P5 SKF  1726310-2RS1 INA  KWEM5-WC FAG  HCS7004-E-T-P4S SKF  NJ2213ECP TIMKEN  280RN03 MRC  7005AC/DT IKO  NAST45ZZR IKO  LME122232NUU

版权所有©2009-2015 轴承狗zcgou.com ICP备案:津ICP备14004550号-13