SKFNUP217ECJ*轴承详细参数

发布时间:2026-04-14
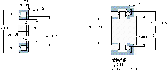
圆柱滚子轴承, 单列, NUP 设计
主要数据尺寸 基本负荷额定值 疲劳负荷限值 额定速度 体积 型号 适宜的斜挡圈
动态 静态 参照速度 限制速度 型号
d D B C C0 Pu * - SKF Explorer 轴承
mm kN kN r/min kg - -
851502819020024,5480053002,00NUP 217 ECJ *-

SKFNUP217ECJ*圆柱滚子轴承供应商

八零动力专业销售NUP217ECJ*圆柱滚子轴承,库存SKFNUP217ECJ*大量现货,与SKF合作,咨询热线:022-58519723业务咨询
SKFNUP217ECJ*铸就卓越品质,它的耐用性,赢得了无数用户的信赖 它的低摩擦设计,减少了能量损耗 先进的生产工艺,让这款轴承的性能得到了极大提升这轴承的设计精妙,充分考虑了各种实际应用需求制造工艺先进,使得这款轴承的性能远超普通产品,八零动力SKF圆柱滚子轴承品种全,价格优,质量有保证!

用户关注最多的SKF轴承型号

SKF1307K+H307 SKF25580/25520/Q SKF6209/HR22Q2 SKF71800ACD/HCP4 SKFBFDB353238/HA3 SKFC2314* SKFCR10598 SKFCR1075117 SKFCR380x420x22.23HDSA2VD SKFCR45X68X7HMSA10V SKFCR590820 SKFIR45x52x22 SKFNKI6/12 SKFOKBS86 SKFSAW23532

NUP217ECJ*圆柱滚子轴承近似的SKF轴承型号

SKFNUP217ECP SKFNU2217ECP* SKFNU217ECM* SKFNUP217E SKFRNU217ECP* SKFNU2217ECP SKFN217ECP* SKFNJ217ECJ* SKFNJ217ECML* SKFNJ2217ECP SKFNUP217ECP SKFNUP217ECML*

用户关注最多的轴承狗热门型号

INA  RWS1808-75/x75/x40 国产  917/47.3ZSV/YA RHP  6200-2RS SKF  EE157337/157430 FAG  HCB7202-C-2RSD-T-P4S SKF  51180F KOYO  7408DB RHP  QJ211 SKF  CR65X80X8HMSA10RG TIMKEN  80RU30 NTN  61804-ZN NSK  239/850CAKE4 SKF  BEAS020052-2Z/PE SKF  CR65X100X10HMSA10RG IKO  LBD35

版权所有©2009-2015 轴承狗zcgou.com ICP备案:津ICP备14004550号-13