SKFNUP215ECP*轴承详细参数

发布时间:2026-04-14
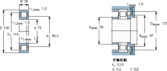
圆柱滚子轴承, 单列, NUP 设计
主要数据尺寸 基本负荷额定值 疲劳负荷限值 额定速度 体积 型号 适宜的斜挡圈
动态 静态 参照速度 限制速度 型号
d D B C C0 Pu * - SKF Explorer 轴承
mm kN kN r/min kg - -
751302515015620,4560060001,30NUP 215 ECP *-

SKFNUP215ECP*圆柱滚子轴承供应商

八零动力专业销售NUP215ECP*圆柱滚子轴承,库存SKFNUP215ECP*大量现货,与SKF合作,咨询热线:022-58519723业务咨询
SKFNUP215ECP*优秀的设计让这款轴承在运行时更加高效节能减少摩擦降低能耗它的径向跳动控制,达到了行业顶尖水平 轴承的耐用性极佳,能够承受高强度的工作负荷这款轴承的运转平稳,几乎听不到任何噪音,令人惊艳引领行业速度,我们的轴承始终稳如磐石,八零动力SKF圆柱滚子轴承品种全,价格优,质量有保证!

用户关注最多的SKF轴承型号

SKF239/800CAK/W33+OH39/800H* SKF30304 SKF891/950M SKFCR54x65x8CRW1V SKFCR65x85x8CRW1V SKFH307 SKFHK1014.2RS SKFNJ330ECM SKFPCM252850M SKFPCM556060B SKFSAFC2228 SKFQJ324 SKFS7013DB/P7 SKFS71907CD/P4A SKFSNL30/530F

NUP215ECP*圆柱滚子轴承近似的SKF轴承型号

SKFNJ2215E SKFNU2215ECJ* SKFNU215E SKFNJ215E SKFNUP2215ECP* SKFNJ2215ECP SKFNU2215ECML* SKFNUP215ECM* SKFN215E SKFNJ2215E+HJ2215E SKFNUP215ECML* SKFNUP216E

用户关注最多的轴承狗热门型号

SKF  71912AC NTN  NJ2318 SKF  22218CCK/W33 TIMKEN  G1203KLL EASE  LB51222 LYC  6308 E-Z/Z1 KOYO  21309RHK+AH309 TIMKEN  14FSH30 NTN  7821CDB NACHI  6204N FAG  BND3264-H-C-Y-BL-S SKF  22317EJA/VA406 LYC  FCD 76100300 /HC MRC  6001-RS SKF  30305

版权所有©2009-2015 轴承狗zcgou.com ICP备案:津ICP备14004550号-13