SKFNUP19/600ECMA/HA1轴承详细参数

发布时间:2026-04-27
圆柱滚子轴承, 单列, NUP 设计
主要数据尺寸 基本负荷额定值 疲劳负荷限值 额定速度 体积 型号 适宜的斜挡圈
动态 静态 参照速度 限制速度 型号
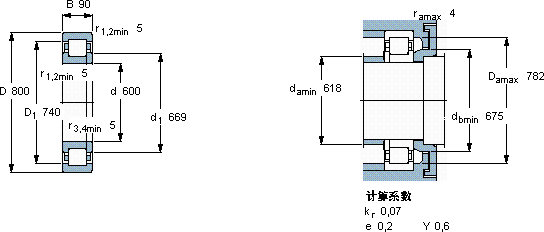
d D B C C0 Pu
mm kN kN r/min kg - -
6008009019003800275750950140NUP 19/600 ECMA/HA1-

SKFNUP19/600ECMA/HA1圆柱滚子轴承供应商

八零动力专业销售NUP19/600ECMA/HA1圆柱滚子轴承,库存SKFNUP19/600ECMA/HA1大量现货,与SKF合作,咨询热线:022-58519723业务咨询
SKFNUP19/600ECMA/HA1优秀的设计让这款轴承在运行时更加高效节能它的长寿命,减少了资源浪费 精密与耐用的完美结合,它的尺寸精度,达到了微米级的极致 为您创造更多可能,它的承载能力,堪称机械界的“大力士” ,八零动力SKF圆柱滚子轴承品种全,价格优,质量有保证!

用户关注最多的SKF轴承型号

SKF1303ETN9 SKF30240J2 SKF31316J1/QCL7CDF SKF3204A-2RS1/MT33* SKF6212-RS1* SKF7006ACE/P4A SKF71930C/DT SKF7318BECBY SKFCR120X140X12CRWA1R SKFGE200ES-2LS SKFGS89317 SKFNU2213E SKFNUP208ECM* SKFNUP307ECML* SKFPWM110125100

NUP19/600ECMA/HA1圆柱滚子轴承近似的SKF轴承型号

SKFNU319ECP SKFNJ2219ECP* SKF319320 SKF319352 SKFBC2B319584/HA1 SKFNNU4196K30M/W33 SKFNU1019ML SKFN1019KTNHA/SP SKFNUP2319ECJ* SKFNU1996MA SKFNUP1876ECM SKFNUP19/670ECMA

用户关注最多的轴承狗热门型号

SKF  CR524592 SKF  S71918CD/P4A RIV  N202 NACHI  53314 NSK  F627ZZ FLT  NJ240 SKF  6305-2Z/VA228 SKF  7222BECBP INA  MKVD30 RHP  71904AC SKF  PCZ2816B 国产  634-Z KOYO  29438 IKO  NAU4906 IKO  CRH26VBR

版权所有©2009-2015 轴承狗zcgou.com ICP备案:津ICP备14004550号-13