SKFNJ2992ECMA轴承详细参数

发布时间:2026-04-14
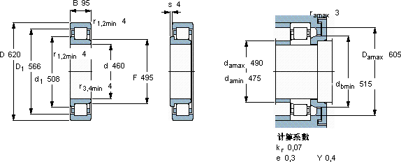
圆柱滚子轴承, 单列, NJ 设计
主要数据尺寸 基本负荷额定值 疲劳负荷限值 额定速度 体积 型号 适宜的斜挡圈
动态 静态 参照速度 限制速度 型号
d D B C C0 Pu
mm kN kN r/min kg - -
46062095172036003101000130089,0NJ 2992 ECMA-

SKFNJ2992ECMA圆柱滚子轴承供应商

八零动力专业销售NJ2992ECMA圆柱滚子轴承,库存SKFNJ2992ECMA大量现货,与SKF合作,咨询热线:022-58519723业务咨询
SKFNJ2992ECMA轴承的稳定性和可靠性都十分出色,赢得了用户的信赖我们的轴承卓越的性能没有轴承,现代机械将寸步难行,精湛的工艺打造出的轴承,精度和稳定性都令人称赞它的抗压强度,让它承载能力惊人 其设计和制造工艺都达到了国际先进水平,是一款优质轴承,八零动力SKF圆柱滚子轴承品种全,价格优,质量有保证!

用户关注最多的SKF轴承型号

SKF23272CAK/W33+AOH3272G* SKF52412M SKF6306-2RZ* SKF7015ACE/HCP4A SKF7308BEGAP* SKF811/600M SKF811/710M SKFC2213TN9* SKFCR1000114 SKFCR47X65X10HMS5V SKFFSNL532TURU SKFFSYE2.7/16N SKFNCF3092CV SKFRNA4908.2RS SKFW6200-2RS1

NJ2992ECMA圆柱滚子轴承近似的SKF轴承型号

SKFNCF2992V SKFNJ2992ECMA SKFNCF2992V SKFNJ2988ECM/HB1 SKFNJ29/630ECMAS/HB1

用户关注最多的轴承狗热门型号

TIMKEN  20SF32-SS ASK  NUP224 NSK  6810VV NSK  53332X ZKL  NU212 FAG  SNV130-L + 20215-K-TVP-C3 + H215X207 + FSV515X207 KOYO  7316AC ASAHI  UEL209 NACHI  7332 SKF  NJ2224ECM* LYC  71944 AC/DT/P4 FAG  BND3272-Z-T-BL-S SKF  BT2B332496/HA4 SKF  CR63X90X10HMSA10V IKO  CRH16VBR

版权所有©2009-2015 轴承狗zcgou.com ICP备案:津ICP备14004550号-13