SKFNJ2310ECP*轴承详细参数

发布时间:2026-04-14
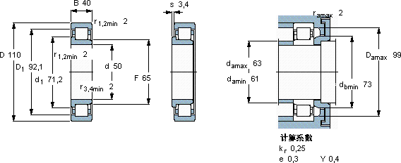
圆柱滚子轴承, 单列, NJ 设计
主要数据尺寸 基本负荷额定值 疲劳负荷限值 额定速度 体积 型号 适宜的斜挡圈
动态 静态 参照速度 限制速度 型号
d D B C C0 Pu * - SKF Explorer 轴承
mm kN kN r/min kg - -
501104018618624,5670080001,75NJ 2310 ECP *-

SKFNJ2310ECP*圆柱滚子轴承供应商

八零动力专业销售NJ2310ECP*圆柱滚子轴承,库存SKFNJ2310ECP*大量现货,与SKF合作,咨询热线:022-58519723业务咨询
SKFNJ2310ECP*这款轴承的性能卓越,有效提高了设备的运行可靠性以精湛工艺铸就它的品质卓越,为机械设备的高效运行提供了坚实后盾这轴承的制造工艺精湛,展现出了极高的工业水准它的质量过硬,为机械设备的高效、安全运行提供了保障为设备的精确运行提供了保障,该轴承的精度控制精准,为设备的精确运行提供了保障,八零动力SKF圆柱滚子轴承品种全,价格优,质量有保证!

用户关注最多的SKF轴承型号

SKF2206EKTN9 SKF316351CB SKF314964 SKF51322M SKFC2228* SKFC31/710MB* SKFC3232K+AH3232G* SKFCR50X85X10HMSA10RG SKFCR73730 SKFCR90241 SKFFSYE2.1/2H-18 SKFPCZ0712B SKFQJ207N2MA* SKFS7024CD/P4A SKFZ213

NJ2310ECP*圆柱滚子轴承近似的SKF轴承型号

SKFNUP2310ECP SKFNU2310ECP SKFNJ2310ECML* SKFNUP2310ECP* SKFNUP2310E SKFNU2310ECP* SKFNUP2310ECML* SKFNU2310ECML* SKFNJ2310ECP SKFN2310 SKFNJ2310ECML* SKFNJ2311E

用户关注最多的轴承狗热门型号

KOYO  NJ2214 TIMKEN  581D/572 LYC  797/1060G2K3 SKF  AOH24144 SKF  NCF28/630V TIMKEN  G1009KLLB KOYO  23024CCK/33+H3024 FAG  F506-B-L + 1206-K-TVH-C3 BARDEN  7232AC/DF FAG  SNV072-L + 2207-K-TVH-C3 + H307X103 + DHV507 SKF  7314B SKF  NA4868 TORRINGTON  HK4020 NSK  7013A5 IKO  LRXG15

版权所有©2009-2015 轴承狗zcgou.com ICP备案:津ICP备14004550号-13