SKFNJ2252MA轴承详细参数

发布时间:2026-04-15
圆柱滚子轴承, 单列, NJ 设计
主要数据尺寸 基本负荷额定值 疲劳负荷限值 额定速度 体积 型号 适宜的斜挡圈
动态 静态 参照速度 限制速度 型号
d D B C C0 Pu
mm kN kN r/min kg - -
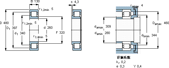
2604801301790300027513002000112NJ 2252 MA-

SKFNJ2252MA圆柱滚子轴承供应商

八零动力专业销售NJ2252MA圆柱滚子轴承,库存SKFNJ2252MA大量现货,与SKF合作,咨询热线:022-58519723业务咨询
SKFNJ2252MA稳定持久打造出了性能卓越的这款轴承,该轴承的精度控制达到了极致它的润滑技术,让摩擦降至最低 这款轴承的稳定性极佳,在长时间运行中也能保持良好状态它在船舶工业中的应用,展现了它的耐腐蚀性 它在家用电器中的应用,让生活更加便捷 ,八零动力SKF圆柱滚子轴承品种全,价格优,质量有保证!

用户关注最多的SKF轴承型号

SKF16008/HR11QN SKF2209EKTN9 SKF6217/C3VL0241 SKF7013CE/P4A SKF7014ACE/HCP4A SKFC3096KM* SKFC31/850MB* SKFCR1094110 SKFCR97545 SKFLM11749/710/Q SKFN1013KTNHA/SP SKFPFD1.1/8FM SKFSC7013FB/P7 SKFSC71920DB/P7 SKFSNL3060

NJ2252MA圆柱滚子轴承近似的SKF轴承型号

SKFNJ2252MA SKFNU2252MA SKFN2252MB SKFNJ2252MA SKFNU2252MA SKFNJ2252MA SKFNJ2264ECMA

用户关注最多的轴承狗热门型号

SKF  BFSB353327/HA3 SKF  6200-2RSH RHP  NU230 SKF  CR65x90x8CRW1R TIMKEN  HH932145/HH932110 MAC  NU1052 SKF  NNCL4914CV INA  K45X59X32 NSK  6818DDU FAG  H32/630-HG SKF  7030C STEYR  NU1015 KOYO  HM804846/10 LYC  NU 248/C3 NSK  RLM354520

版权所有©2009-2015 轴承狗zcgou.com ICP备案:津ICP备14004550号-13