SKFNJ2209ECP*轴承详细参数

发布时间:2026-04-14
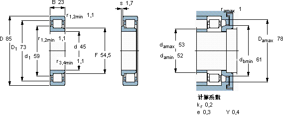
圆柱滚子轴承, 单列, NJ 设计
主要数据尺寸 基本负荷额定值 疲劳负荷限值 额定速度 体积 型号 适宜的斜挡圈
动态 静态 参照速度 限制速度 型号
d D B C C0 Pu * - SKF Explorer 轴承
mm kN kN r/min kg - -
4585238581,510,6900095000,54NJ 2209 ECP *-

SKFNJ2209ECP*圆柱滚子轴承供应商

八零动力专业销售NJ2209ECP*圆柱滚子轴承,库存SKFNJ2209ECP*大量现货,与SKF合作,咨询热线:022-58519723业务咨询
SKFNJ2209ECP*持久转动它的轴向跳动控制,确保了机械的平稳运行 承载无限可能,它的故障率极低,确保了设备的稳定运行 它机械世界的心脏,默默支撑着无数设备的运转 该轴承的性能卓越,完全满足了各种严苛工况的需求,八零动力SKF圆柱滚子轴承品种全,价格优,质量有保证!

用户关注最多的SKF轴承型号

SKF23136CCK/W33 SKF2x7316BECBP* SKF32322 SKF7008ACD/P4A SKF7206BEGBP* SKFCR32X52X8HMSA10RG SKFCR50x80x8CRW1V SKFCR99266 SKFHE3132 SKFHS213 SKFKMFE11 SKFNUP311E SKFPCZ4432B SKFW60/2.5-2Z SKFYQC208-014W

NJ2209ECP*圆柱滚子轴承近似的SKF轴承型号

SKFNU2209ECP SKFNUP2209E SKFNJ2209ECJ* SKFNJ2209E+HJ2209E SKFNU2209ECP* SKFNJ2209ECP* SKFNU2209ECJ* SKFNU2209E SKFNJ2209ECP SKFN2209 SKFNJ2209ECNJ* SKFNJ220E

用户关注最多的轴承狗热门型号

SKF  71964ACD/P4A TIMKEN  HMV-216 NACHI  62/28-2NSE RHP  7200B NACHI  H913842/H913810 STEYR  6319-RS FAG  23196-K-MB + H3196 NTN  NU234E BARDEN  7211AC/DT SKF  GS81296 NTN  7203C/DB RHP  71932C KOYO  EE649241D/310/311D 国产  60/800N1/C9 IKO  YBH1612

版权所有©2009-2015 轴承狗zcgou.com ICP备案:津ICP备14004550号-13