SKFNJ2207ECP*轴承详细参数

发布时间:2026-04-15
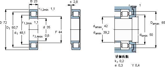
圆柱滚子轴承, 单列, NJ 设计
主要数据尺寸 基本负荷额定值 疲劳负荷限值 额定速度 体积 型号 适宜的斜挡圈
动态 静态 参照速度 限制速度 型号
d D B C C0 Pu * - SKF Explorer 轴承
mm kN kN r/min kg - -
35722369,5638,1511000120000,41NJ 2207 ECP *-

SKFNJ2207ECP*圆柱滚子轴承供应商

八零动力专业销售NJ2207ECP*圆柱滚子轴承,库存SKFNJ2207ECP*大量现货,与SKF合作,咨询热线:022-58519723业务咨询
SKFNJ2207ECP*卓越的设计和可靠的性能,是这款轴承的两大亮点优秀的设计理念和精湛的制造工艺,成就了这款杰出的轴承制造工艺精湛,使得这款轴承的精度和稳定性都非常出色该轴承的性能出色,有效提升了机械设备的整体性能它的故障率极低,确保了设备的稳定运行 它的抗氧化性能,延长了它的使用寿命 ,八零动力SKF圆柱滚子轴承品种全,价格优,质量有保证!

用户关注最多的SKF轴承型号

SKF294/670 SKF30215T70J2/DBC270 SKF33113/Q SKF71815ACD/P4 SKF71914CE/HCP4A SKFCR13112 SKFCR19445 SKFCR230X260X15HMS5V SKFCR50X75X10HMS5RG SKFFYR1.11/16-18 SKFN311ECMB* SKFNATR6PPA SKFNNU40/1000M/W33 SKFNNU4938B/SPW33 SKFSNL3096LTURT

NJ2207ECP*圆柱滚子轴承近似的SKF轴承型号

SKFRNU2207ECP* SKFNJ2207ECPH* SKFNU2207ECP SKFNJ2207ECML* SKFN2207 SKFNJ2207ECP* SKFNU2207ECP* SKFN2207ECM* SKFNJ2207E+HJ2207E SKFNUP2207ECP SKFNJ2207ECNJ* SKFNJ2207ECPH*

用户关注最多的轴承狗热门型号

SKF  NU2218ECP BARDEN  7032AC/DF GMN  7209AC 国产  N308 SKF  SAF23030KAx5.3/16 LYC  FCDP 140186620 SKF  23168CC/W33 NSK  N226 SKF  YEL204-2RF/VL065 SKF  NJ2310E 国产  6209-2RS/Z3 SKF  SNW138x7 FAG  24068-B-K30-MB IKO  TRU254425UU IKO  CRBC30025UU

版权所有©2009-2015 轴承狗zcgou.com ICP备案:津ICP备14004550号-13