SKFN334ECM轴承详细参数

发布时间:2026-04-14
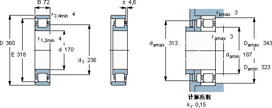
圆柱滚子轴承, 单列, N 设计
主要数据尺寸 基本负荷额定值 疲劳负荷限值 额定速度 体积 型号 适宜的斜挡圈
动态 静态 参照速度 限制速度 型号
d D B C C0 Pu
mm kN kN r/min kg - -
1703607295211801161700220038,5N 334 ECM-

SKFN334ECM圆柱滚子轴承供应商

八零动力专业销售N334ECM圆柱滚子轴承,库存SKFN334ECM大量现货,与SKF合作,咨询热线:022-58519723业务咨询
SKFN334ECM它的耐磨性能,让它在恶劣环境下依然稳定运行 它的质量过硬,为机械设备的高效、安全、稳定运行 它的精密装配,确保了整体性能的卓越 轴承的耐用性出色,能够长时间保持良好的工作状态转动不停歇它在食品机械中的应用,展现了它的卫生性能 ,八零动力SKF圆柱滚子轴承品种全,价格优,质量有保证!

用户关注最多的SKF轴承型号

SKF33011/QDF03C170* SKF7211B/DB SKFCR1575249 SKFCR52X80X10HMS5V SKFHK0408 SKFIR340x370x80 SKFK100x108x30 SKFK65x70x20 SKFNATV6PPA SKFNCF2916CV SKFNCF2992V SKFOKCX740 SKFRNA2204.2RS SKFSYR3.15/16NH-118 SKFYAR208-107-2F/AH

N334ECM圆柱滚子轴承近似的SKF轴承型号

SKFNU334ECM SKFNU2334ECMA SKFNU2334ECMA SKFN334ECM SKFNJ2334ECMA SKFNU334M SKFN2334 SKFNJG2334VH SKFN334ECM SKFNU334ECM SKFN334ECM SKFN38/630MB

用户关注最多的轴承狗热门型号

SKF  FYRP3.1/2-18 SKF  OH3964H SKF  NU2324ECMA NTN  NJ306E TIMKEN  T1421F NACHI  6005-2NSE MRC  3311 国产  382968 SKF  CR22610 SKF  BC4B322142/HB1 NTN  7007C/DT 国产  82718ZW TIMKEN  JP7049/JP7010 国产  NN3018K IKO  TAF293830-SG

版权所有©2009-2015 轴承狗zcgou.com ICP备案:津ICP备14004550号-13