SKFLS7095轴承详细参数

发布时间:2026-04-19
轴承圈 - 滚针推力轴承,圆柱滚子推力轴承, 滚道圈,LS系列
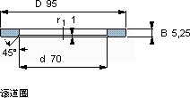
尺寸 体积 型号
d D B d1 D1 r1, r1,2
mm kg -
70955,25--10,12LS 7095

SKFLS7095圆柱滚子推力轴承供应商

八零动力专业销售LS7095圆柱滚子推力轴承,库存SKFLS7095大量现货,与SKF合作,咨询热线:022-58519723业务咨询
SKFLS7095是机械世界的璀璨明星,设计合理、性能优良的轴承,是机械设备的理想之选它的高可靠性,减少了设备停机时间 它的尺寸精度,达到了微米级的极致 它的抗冲击性能,让它经得起各种考验 它的故障率极低,确保了设备的稳定运行 ,八零动力SKF圆柱滚子推力轴承品种全,价格优,质量有保证!

用户关注最多的SKF轴承型号

SKF1304ETN9 SKF6040 SKF618/710 SKF7207ACD/P4A SKF7221AC/DF SKF7318BECBY SKFC2211TN9* SKFC4010V* SKFCR16054 SKFLR17x20x16.5 SKFNN3009TN/SP SKFPCZ0306B SKFSYE1.1/2N SKFTVN315WA SKFYAT209-110

LS7095圆柱滚子推力轴承近似的SKF轴承型号

SKFLS7095 SKFAS7095 SKFLS6590 SKFLS75100

用户关注最多的轴承狗热门型号

LYC  M241510/M241510EA LYC  51314 M/P5 TIMKEN  590A/592A NTN  81222 国产  K25*31*20YA FLT  N409 SKF  NNU4176M KOYO  29264R SKF  NU2218ECP MRC  7205AC/DB RHP  NU313 ZKL  7211B 国产  1218K LYC  AH240/560 IKO  MXD12

版权所有©2009-2015 轴承狗zcgou.com ICP备案:津ICP备14004550号-13