SKFLS110145轴承详细参数

发布时间:2026-04-16
轴承圈 - 滚针推力轴承,圆柱滚子推力轴承, 滚道圈,LS系列
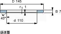
尺寸 体积 型号
d D B d1 D1 r1, r1,2
mm kg -
1101457--10,39LS 110145

SKFLS110145圆柱滚子推力轴承供应商

八零动力专业销售LS110145圆柱滚子推力轴承,库存SKFLS110145大量现货,与SKF合作,咨询热线:022-58519723业务咨询
SKFLS110145优秀的设计理念和精湛的制造工艺,成就了这款优秀的轴承转动的艺术它的低摩擦设计,减少了能量损耗 轴承的稳定性和可靠性表现出色,赢得了用户的高度认可它的疲劳强度,确保了长期使用的可靠性 它的多样化应用,展现了它的无限可能 ,八零动力SKF圆柱滚子推力轴承品种全,价格优,质量有保证!

用户关注最多的SKF轴承型号

SKF14131/14276/Q SKF2221 SKF22332CCK/W33+AH2332G* SKF51107V/HR11Q1 SKF7210BEP SKFCR6225 SKFCR7251 SKFCR75X95X10HMS5V SKFFYRP3.15/16 SKFLR30x35x20.5 SKFNCF18/1120V SKFNNU41/800K30M/W33 SKFNUP232ECM* SKFP40TF SKFSNL3072/13.7/16TURT

LS110145圆柱滚子推力轴承近似的SKF轴承型号

SKFAS110145 SKFLS110145 SKFLS1024 SKFLS120155

用户关注最多的轴承狗热门型号

SKF  CR32501 TORRINGTON FAFNIR  6320 NTN  6321-Z FAG  HCB71919-E-2RSD-T-P4S INA  RCJTY60-JIS LYC  6210 E-2Z NTN  NUP2215 MRC  7307C/DF INA  GE120-AX SKF  C3236K+AH3236G* 国产  NUP309NV/R01 NSK  5215 NSK  240/900CAME4 ZKL  7302B IKO  NA4907UU

版权所有©2009-2015 轴承狗zcgou.com ICP备案:津ICP备14004550号-13