SKFKMTA32轴承详细参数

发布时间:2026-04-14
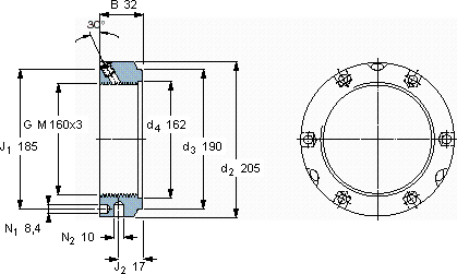
带锁紧销的KMTA精密锁紧定螺母
螺纹尺寸 尺寸 轴向负荷 体积 型号 平头螺钉
承载能力 锁定螺母 适宜的板手 尺寸 推荐的紧固扭矩
d3 B G 静态
- mm - kN kg --- Nm
16019032M 160x311003,15KMTA 32B 205-220M 1035

SKFKMTA32轴承附件供应商

八零动力专业销售KMTA32轴承附件,库存SKFKMTA32大量现货,与SKF合作,咨询热线:022-58519723业务咨询
SKFKMTA32就是选择高效与可靠它的加工精度,确保了机械运转的稳定性 质量上乘的轴承,为设备的高效稳定运行奠定了基础它在机床设备中的应用,确保了加工精度 它的模块化设计,让安装和更换变得轻松便捷 它的可回收性,体现了环保理念 ,八零动力SKF轴承附件品种全,价格优,质量有保证!

用户关注最多的SKF轴承型号

SKF241/1000ECAF/W33 SKF294/670 SKF2x7219BEGAM* SKF32226 SKF331275B SKF7215B/DB SKF7305BECBM* SKFCR7414 SKFFYTL30THR SKFHCRE040R SKFNU19/500MA SKFPFD1.FM SKFS71915DB/P7 SKFSC7018FB/P7 SKFSIR100ES

KMTA32轴承附件近似的SKF轴承型号

SKFKMTA32 SKFAHX3228G SKFAOH3260G SKFSNP3288x16.1/2 SKFSNP3260x11 SKFHE2324 SKFAH2332/140G SKFSNW32x5.3/4 SKFHE3132 SKFAH2332G SKFKMTA30 SKFKMTA34

用户关注最多的轴承狗热门型号

NACHI  6219-2NK SKF  OKCX780 NMB  RF-830ZZ NACHI  23240A2XW33K SKF  KR35PPA FAG  S3044-H-N-FZ-BL-L + 230SM200-MA NTN  32926 LYC  197726FX 国产  NUP412F1 SKF  32024 SKF  NKXR30 FAG  SNV100-L + 21309-E1-K + H309X108 + DHV609X108 SKF  PCMW122401.5B NSK  232/750CAKE4 RHP  7207B/DT

版权所有©2009-2015 轴承狗zcgou.com ICP备案:津ICP备14004550号-13