SKFKMTA16轴承详细参数

发布时间:2026-04-14
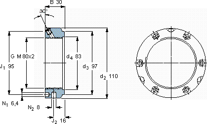
带锁紧销的KMTA精密锁紧定螺母
螺纹尺寸 尺寸 轴向负荷 体积 型号 平头螺钉
承载能力 锁定螺母 适宜的板手 尺寸 推荐的紧固扭矩
d3 B G 静态
- mm - kN kg --- Nm
809730M 80x26201,00KMTA 16B 110-115M 818

SKFKMTA16轴承附件供应商

八零动力专业销售KMTA16轴承附件,库存SKFKMTA16大量现货,与SKF合作,咨询热线:022-58519723业务咨询
SKFKMTA16先进的生产工艺,打造出了这款性能卓越的轴承优秀的设计和卓越的性能,让这款轴承备受青睐它的几何精度,让机械运转分毫不差 这款轴承的性能卓越,有效提高了设备的运行可靠性转动精彩承载重托,八零动力SKF轴承附件品种全,价格优,质量有保证!

用户关注最多的SKF轴承型号

SKF239/1060CAF/W33 SKF608-RSL* SKF6307-2Z* SKF7019C SKF7208BEGAM* SKF7222ACD/P4A SKFBTM110B/P4CDBB SKFC31/850MB* SKFCR18039 SKFKRE32PPA SKFNK8/12TN SKFOKBS61 SKFSNW10x1.1/2 SKFSNW8x1.5/16 SKFSYH7/8RM

KMTA16轴承附件近似的SKF轴承型号

SKFSNP3088x16.1/2 SKFSNW3130x5.3/16 SKFSNW3136x6.7/16 SKFSNW11x1.13/16 SKFAOH3160G SKFSNW38x6.15/16 SKFKMFE16 SKFSNW110x1.11/16 SKFSNW38x6.13/16 SKFSNW3034x5.15/16 SKFKMTA15 SKFKMTA17

用户关注最多的轴承狗热门型号

KINGON  F607ZZ SKF  GS89330 SKF  NJ216ECP SKF  CR42X72X8HMSA10RG RIV  NF2317 NSK  6830N NTN  7805CDT SKF  K3x6x7TN TIMKEN  33251/33462D SKF  SY2.7/16TF SKF  ALS22ABP KOYO  H414242/10 FAG  SNV072-L + 21306-E1-TVPB + DH306 FAG  23124-E1-K-TVPB FAG  SNV260-L + 22324-E1-K + H2324X403 + TCV524X403

版权所有©2009-2015 轴承狗zcgou.com ICP备案:津ICP备14004550号-13