SKFKMTA11轴承详细参数

发布时间:2026-04-15
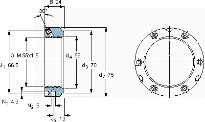
带锁紧销的KMTA精密锁紧定螺母
螺纹尺寸 尺寸 轴向负荷 体积 型号 平头螺钉
承载能力 锁定螺母 适宜的板手 尺寸 推荐的紧固扭矩
d3 B G 静态
- mm - kN kg --- Nm
557024M 55x1.53400,37KMTA 11B 68-75M 68

SKFKMTA11轴承附件供应商

八零动力专业销售KMTA11轴承附件,库存SKFKMTA11大量现货,与SKF合作,咨询热线:022-58519723业务咨询
SKFKMTA11轴承的性能可靠,为机械设备的稳定运行立下汗马功劳它的可靠性,赢得了无数用户的信赖 轴承的耐用性出色,能够长时间保持良好的工作状态承载重托它的承载能力,堪称机械界的“大力士” 它在医疗设备中的应用,确保了设备的稳定性 ,八零动力SKF轴承附件品种全,价格优,质量有保证!

用户关注最多的SKF轴承型号

SKF1208ETN9 SKF2x7218BEGAF SKF33016/Q SKF3306A* SKF544091/2B/118A/2B SKFCR13X26X7HMSA10V SKFCR18772 SKFCR42X67X10HMSA10V SKFE2.6205-2Z/C3 SKFFSYE2.7/16-3 SKFFYRP2H-18 SKFNCF2932CV SKFOKC270 SKFP72R-1.3/16FM SKFPWM130145150

KMTA11轴承附件近似的SKF轴承型号

SKFSNW10x1.11/16 SKFSNW11x1.13/16 SKFSNW11x1.7/8 SKFSNW119x3.5/16 SKFSNW118x3.3/16 SKFSNW118x3.1/8 SKFHE311BE SKFSNW11x2 SKFW11 SKFSNW118x3.1/4 SKFKMTA10 SKFKMTA12

用户关注最多的轴承狗热门型号

INA  LFS32 SKF  N308E RHP  NUP322 NSK  7012ATYNSULP4 MAC  NJ2224 KOYO  7018AC/DF LYC  51315/P5 TIMKEN  14130/14276 KOYO  29488R FAG  NU211-E-TVP2 NACHI  6334 ZKL  7318B/DT FAG  B7009-C-T-P4S IKO  NART35VUUR IKO  LS4

版权所有©2009-2015 轴承狗zcgou.com ICP备案:津ICP备14004550号-13