SKFKMT30轴承详细参数

发布时间:2026-05-30
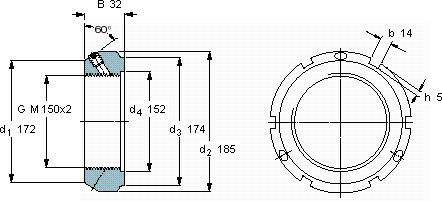
带锁紧销的KMT精密锁紧定螺母
螺纹尺寸 尺寸 轴向负荷 体积 型号 平头螺钉
承载能力 锁定螺母 适宜的板手 尺寸 推荐的紧固扭矩
d3 B G 静态
- mm - kN kg --- Nm
15017432M 150x210401,95KMT 30TMFN 23-30M 1035

SKFKMT30轴承附件供应商

八零动力专业销售KMT30轴承附件,库存SKFKMT30大量现货,与SKF合作,咨询热线:022-58519723业务咨询
SKFKMT30它的抗冲击能力,让它经久不衰 为您的工程保驾护航,这轴承的质量过硬,经得起时间和高强度工作的考验它的质量过硬,为机械设备的高效、安全、稳定运行 轴承的选材精良,确保了其具有良好的耐磨性和抗腐蚀性优秀的轴承,就像精密仪器的心脏,确保着整个系统的高效运转,八零动力SKF轴承附件品种全,价格优,质量有保证!

用户关注最多的SKF轴承型号

SKF6040M SKFAOH3280G SKFC2206KTN9+H306E* SKFCR23843 SKFCR24X47X7HMSA10V SKFCR280x325x24HS5R SKFGEC710FBAS SKFH913843/810/QCL7C SKFJM511946/910/Q SKFN208ECMB* SKFNA2204.2RS SKFNKI35/30 SKFPCM859060B SKFSC71910DB/P7 SKFYAR204-2RF

KMT30轴承附件近似的SKF轴承型号

SKFMS30/800-750 SKFSNW3024x4.1/16 SKFHE3038 SKFH306E SKFAOHX30/560 SKFH3024 SKFMS30/560 SKFPL530 SKFMS30/900-850 SKFSNP3056x10 SKFKMT3 SKFKMT32

用户关注最多的轴承狗热门型号

FAG  SNV230-L + 22226-E1-K + H3126X407 + FSV526X407 SKF  6217-2Z LYC  6303 E-2RS/C3Z1 SKF  FSAF22617 BARDEN  71940C/DT SKF  CR32X72X7HMS5RG SKF  NUP2318E SKF  NNCF5026CV LYC  BFCDP 6496350 /P5 NACHI  497/493 BARDEN  7020AC/DT FAG  240/530-B-MB NTN  NJ2206E+HJ2206E NSK  RLM3815 NSK  NU216ET

版权所有©2009-2015 轴承狗zcgou.com ICP备案:津ICP备14004550号-13