SKFKMFE18L轴承详细参数

发布时间:2026-04-14
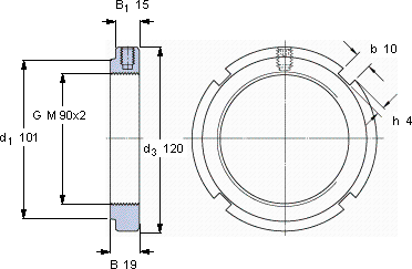
带锁紧螺钉的KMFE锁紧定螺母
螺纹尺寸 尺寸 轴向负荷 体积 型号 平头螺钉
承载能力 锁定螺母 适宜的板手 尺寸 推荐的紧固扭矩
d3 B G 静态
- mm - kN kg -- Nm
9012019M 90x22160,57KMFE 18LHN 18-20M 818

SKFKMFE18L轴承附件供应商

八零动力专业销售KMFE18L轴承附件,库存SKFKMFE18L大量现货,与SKF合作,咨询热线:022-58519723业务咨询
SKFKMFE18L质量无可挑剔的轴承,在行业内树立了良好的口碑和形象制造工艺精湛,使得这款轴承的精度和稳定性都非常出色质量上乘的轴承,是提升机械设备性能的关键因素它在机床设备中的应用,确保了加工精度 它的制造工艺,堪称工业艺术的典范 它的静音设计,让机械运转如丝般顺滑 ,八零动力SKF轴承附件品种全,价格优,质量有保证!

用户关注最多的SKF轴承型号

SKF1319 SKF61822-2RS1 SKF7204B/DB SKF7326B/DB SKFBGSB634099 SKFBT2B332468A/HA1 SKFC3024K+H3024E* SKFCRL40AMB SKFFNL513A SKFHE310E SKFNNCF5015CV SKFS71915ACD/P4A SKFSC71907DB/P7 SKFSYE3NH-118 SKFYAR209-112-2RF

KMFE18L轴承附件近似的SKF轴承型号

SKFAHX318/80 SKFSNW18x3.3/16 SKFSNW118x3.1/16 SKFMS3184-80 SKFHMV18E SKFSNP30/500x18.1/2 SKFH318E SKFH318 SKFHA2318x3.1/8 SKFKMFE18 SKFKMFE18 SKFKMFE19

用户关注最多的轴承狗热门型号

SKF  CR40x75x8CRW1V TIMKEN  48685/48620 RHP  7008C/DF RHP  7209AC SKF  239/1180CAF/W33 INA  RCJT20-N-FA125 SKF  6030 SKF  SYNT90LTS FAG  HCB71918-C-2RSD-T-P4S NTN  RNA49/32 INA  ZARF1762-TV MRC  6211-2RS SKF  CR26X40X8HMS1R SKF  31312 IKO  TA2220Z

版权所有©2009-2015 轴承狗zcgou.com ICP备案:津ICP备14004550号-13