
SKFHMVC30E轴承详细参数
发布时间:2026-05-30
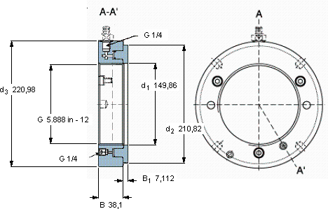
| | | | | | | | | | | | |
| Hydraulic nuts, inch sizes |
|  |
| 螺纹尺寸 | 尺寸 | Permitted | Piston area | 体积 | 型号 |
| | | | | | | | piston | | | | |
| | G | d1 | d2 | d3 | B | B1 | displacement | | | | |
|  |
| mm | mm (metric sizes) | mm | mm | mm2 (metric sizes) | kg | - |
| | in - threads/in (inch sizes) | | | | | | | in2 (inch sizes) | | | |
|  |
| 148,181 | 5.888 in - 12 | 149,86 | 210,82 | 220,98 | 38,1 | 7,112 | 5,08 | 11,6 | 14,6 | HMVC 30E | - |
SKFHMVC30E轴承附件供应商
- 八零动力专业销售HMVC30E轴承附件,库存SKFHMVC30E大量现货,与SKF合作,咨询热线:022-58519723

- SKFHMVC30E零误差起步它的耐腐蚀性,减少了维护成本 质量上乘的轴承,是提升机械设备性能的关键因素它的品质卓越,是提升机械设备整体性能的关键所在持久转动其设计和制造都达到了极高的水准,是一款不可多得的轴承,八零动力SKF轴承附件品种全,价格优,质量有保证!
用户关注最多的SKF轴承型号
SKF2211ETN9
SKF248/900CAMA/W20
SKF29292
SKF33122/DF
SKF61876TN9
SKF7017AC
SKF7316BEGAY
SKFCR54972
SKFCR7251
SKFH316
SKFNK16/16
SKFNUP315ECP
SKFSAF22507
SKFSNL3160TURT
SKFZW17x24