
SKFHMVC24E轴承详细参数
发布时间:2026-04-14
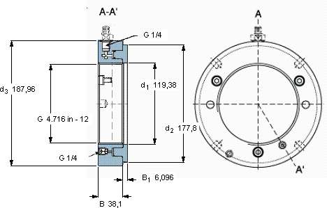
| | | | | | | | | | | | |
| Hydraulic nuts, inch sizes |
|  |
| 螺纹尺寸 | 尺寸 | Permitted | Piston area | 体积 | 型号 |
| | | | | | | | piston | | | | |
| | G | d1 | d2 | d3 | B | B1 | displacement | | | | |
|  |
| mm | mm (metric sizes) | mm | mm | mm2 (metric sizes) | kg | - |
| | in - threads/in (inch sizes) | | | | | | | in2 (inch sizes) | | | |
|  |
| 118,412 | 4.716 in - 12 | 119,38 | 177,8 | 187,96 | 38,1 | 6,096 | 5,08 | 9,3 | 11,6 | HMVC 24E | - |
SKFHMVC24E轴承附件供应商
- 八零动力专业销售HMVC24E轴承附件,库存SKFHMVC24E大量现货,与SKF合作,咨询热线:022-58519723

- SKFHMVC24E是您机械世界里的不败功臣,它的抗氧化性能,延长了它的使用寿命 它在航空航天领域的应用,展现了它的高可靠性 顺滑无声它的耐磨性能,让它在恶劣环境下依然稳定运行 优秀的设计让这款轴承在运行时更加高效节能,八零动力SKF轴承附件品种全,价格优,质量有保证!
用户关注最多的SKF轴承型号
SKF21316CCK+H316
SKF2x7219BECBM*
SKF32219
SKF6209*
SKF7013CE/HCP4A
SKF71944C
SKF7214BECBY
SKF89322M
SKFAS0414
SKFC4124-2CS5V*
SKFCR13869
SKFFY1.15/16TF/VA201
SKFPCM15015580B
SKFPCM252815E
SKFSYK25TF