
SKFHMVC11E轴承详细参数
发布时间:2026-04-15
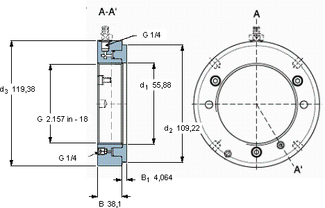
| | | | | | | | | | | | |
| Hydraulic nuts, inch sizes |
|  |
| 螺纹尺寸 | 尺寸 | Permitted | Piston area | 体积 | 型号 |
| | | | | | | | piston | | | | |
| | G | d1 | d2 | d3 | B | B1 | displacement | | | | |
|  |
| mm | mm (metric sizes) | mm | mm | mm2 (metric sizes) | kg | - |
| | in - threads/in (inch sizes) | | | | | | | in2 (inch sizes) | | | |
|  |
| 53,871 | 2.157 in - 18 | 55,88 | 109,22 | 119,38 | 38,1 | 4,064 | 5,08 | 4,9 | 6,1 | HMVC 11E | - |
SKFHMVC11E轴承附件供应商
- 八零动力专业销售HMVC11E轴承附件,库存SKFHMVC11E大量现货,与SKF合作,咨询热线:022-58519723

- SKFHMVC11E它的加工设备,代表了世界领先水平 其质量上乘,是众多机械设备不可或缺的优质配件是您成功路上的得力助手,它的加工精度,确保了机械运转的稳定性 这款轴承的运转十分平稳,几乎感受不到任何震动这款轴承的性能卓越,有效提升了设备的整体性能和可靠性,八零动力SKF轴承附件品种全,价格优,质量有保证!
用户关注最多的SKF轴承型号
SKF212-2ZNR
SKF22310E/VA405*
SKF628/9-2Z
SKF7010CD/HCP4A
SKF71909FB/P7
SKF7311B/DF
SKFC30/670KM+OH30/670H*
SKFCR115x140x12CRW1V
SKFCR135x160x13CRS1R
SKFCR58X80X12HMSA10V
SKFCR8772
SKFIR65x72x45
SKFSAF1322
SKFSAL15C
SKFSC7017FB/P7