

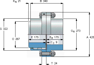
| Gear couplings, types HCCE and HCRE, flexible/rigid, crowned teeth, type HCRE | |||||||||||||
| This table should be seen as a guide, contact SKF if the required size is not listed | |||||||||||||
| 轴 | Torque | Speed | 体积 | 尺寸 | 型号 | ||||||||
| Flexible half | Rigid half | Continous | Undrilled hubs | ||||||||||
| 最小 | 最大 | 最小 | 最大 | 最大 | 最大 | A | B | E | G | GR | |||
| mm | kNm | r/min | kg | mm | - | ||||||||
| 97 | 206 | 103 | 212 | 66,2 | 2700 | 220 | 425 | 340 | 175 | 322 | 273 | HCRE 055 R | |
版权所有©2009-2015 轴承狗zcgou.com ICP备案:津ICP备14004550号-13