SKFFYNT90L轴承详细参数

发布时间:2026-05-30
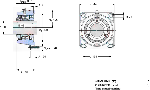
带法兰的滚子轴承单元, SKF ConCentra, non-locating units
尺寸 基本负荷额定值 疲劳负荷限值 限制速度 体积 型号 轴承,基本型号
动态 静态
da A1 J L T C C0 Pu
mm kN kN r/min kg - -
909219825093,532537539210018FYNT 90 L22218 E

SKFFYNT90L法兰滚子轴承单元供应商

八零动力专业销售FYNT90L法兰滚子轴承单元,库存SKFFYNT90L大量现货,与SKF合作,咨询热线:022-58519723业务咨询
SKFFYNT90L性能优越的轴承,极大地提高了设备的工作效率和稳定性为设备的精确运行提供了保障,该轴承的精度控制精准,为设备的精确运行提供了保障轴承的性能可靠,为机械设备的稳定运行立下汗马功劳它的抗压强度,让它承载能力惊人 不得不说,这款轴承的品质过硬,在行业内堪称典范,优秀的设计让这款轴承在运行时更加高效节能,八零动力SKF法兰滚子轴承单元品种全,价格优,质量有保证!

用户关注最多的SKF轴承型号

SKF22317EJA/VA406 SKF23156-2CS5K/VT143* SKF6203* SKF7014FB/P7 SKF7028ACD/P4A SKF71916ACD/HCP4A SKF7226C/DB SKFBT4B331161BG/HA1 SKFCR13596 SKFCR1400238 SKFCR24X47X7HMS5V SKFCR99850 SKFJL69345F/310/Q SKFYAT204 SKFWS81268

FYNT90L法兰滚子轴承单元近似的SKF轴承型号

SKFFYNT90F SKFFYNT90L SKFFYNT90F SKFFYR1.11/16

用户关注最多的轴承狗热门型号

SKF  7221B/DT SKF  CR9858 TIMKEN  359-S/3520 SKF  CR160X190X15HMS5V NSK  NJ2326EM SKF  607-RS LYC  6206 E-RS/Z1 NACHI  N410 SKF  CR34967 NACHI  N311 NTN  23034BK SKF  51101V/HR22T2 NTN  61808-RZ NTN  AS7095 NSK  7006CDF

版权所有©2009-2015 轴承狗zcgou.com ICP备案:津ICP备14004550号-13