SKFFYC30TF轴承详细参数

发布时间:2026-04-15
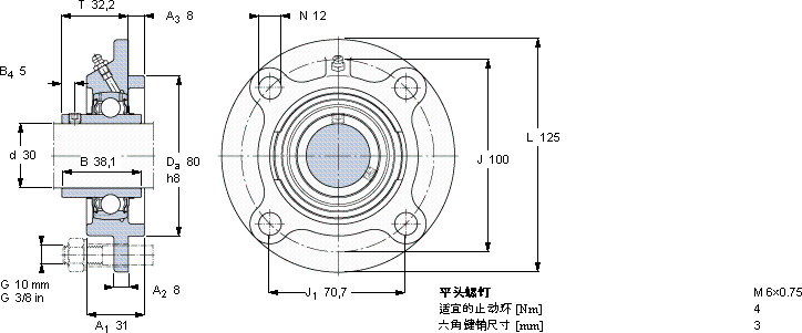
Y-型轴承带法兰单元, 圆形铸造轴承座,平头螺钉锁定
尺寸 基本负荷额定值 限制速度 质量 型号
动态 静态 轴承单元 轴承座 轴承
d A1 J L T C C0带轴公差h6
mm kN r/min kg -
303110012532,219,511,263001,35FYC 30 TFFYC 506YAR 206-2F

SKFFYC30TFY-轴承法兰单元供应商

八零动力专业销售FYC30TFY-轴承法兰单元,库存SKFFYC30TF大量现货,与SKF合作,咨询热线:022-58519723业务咨询
SKFFYC30TF先进的制造工艺,让这款轴承的性能更加稳定可靠这款轴承的性能卓越,有效提高了设备的运行可靠性性能优越的轴承,极大地提升了设备的工作性能和效率机械的心脏它的抗疲劳性能,确保了长期使用的可靠性 是您机械世界里的不败功臣,,八零动力SKFY-轴承法兰单元品种全,价格优,质量有保证!

用户关注最多的SKF轴承型号

SKF239/800CA/W33* SKF5206E SKF6204-Z* SKF6302/HR22T2 SKFCR19965 SKFCR27X37X7HMS5RG SKFCR32X55X10HMS5RG SKFCR45X62X10HMSA10V SKFCR52X68X8HMS5RG SKFGEH110TXG3A-2LS SKFN312E SKFNATV8PPA SKFNNCF5006CV SKFNNF5012ADB-2LSV SKFSYFL40TR/VE495

FYC30TFY-轴承法兰单元近似的SKF轴承型号

SKFFYKC30NTH SKFFYL30THR SKFPF30TR SKFPFT30RM SKFFYTB30TF SKFFYK30TF SKFFYTBK30TR SKFPF30RM SKFFYTJ30KF SKFPF30WF SKFFYC30FM SKFFYC30WF

用户关注最多的轴承狗热门型号

FAG  SNV270-L + 23230-E1-K-TVPB + H2330 + DH530 LYC  29452 LYC  32008/01 MRC  NJ206 FAG  BND3280-Z-Y-BL-S INA  89412-TV BARDEN  7003C/DB SKF  FBSA204/QBC NTN  29460 LYC  NN 3024 K/P5 RHP  7307B/DF TIMKEN  6460 /6420-B NTN  22319BK FAG  22209-E1 SKF  C3040K/HA3C4*

版权所有©2009-2015 轴承狗zcgou.com ICP备案:津ICP备14004550号-13