SKFFYC20TF轴承详细参数

发布时间:2026-05-29
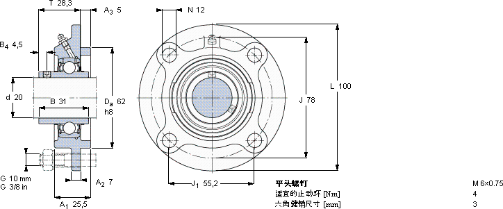
Y-型轴承带法兰单元, 圆形铸造轴承座,平头螺钉锁定
尺寸 基本负荷额定值 限制速度 质量 型号
动态 静态 轴承单元 轴承座 轴承
d A1 J L T C C0带轴公差h6
mm kN r/min kg -
2025,57810028,312,76,5585000,70FYC 20 TFFYC 504YAR 204-2F

SKFFYC20TFY-轴承法兰单元供应商

八零动力专业销售FYC20TFY-轴承法兰单元,库存SKFFYC20TF大量现货,与SKF合作,咨询热线:022-58519723业务咨询
SKFFYC20TF它的品质卓越,为机械设备的高效运行提供了坚实后盾是机械世界的璀璨明星,轴承的选材精良,确保了其具有良好的耐磨性和抗腐蚀性机械的心脏它的多样化应用,展现了它的无限可能 卓越的设计和可靠的性能,是这款轴承的两大亮点,八零动力SKFY-轴承法兰单元品种全,价格优,质量有保证!

用户关注最多的SKF轴承型号

SKF22336CCJA/W33VA406 SKF240/600ECAK30F/W33* SKF319434DA-2LS SKF71917CD/HCP4A SKF7211ACD/P4A SKFBT4B332963/HA1 SKFCR105x140x12CRWA1R SKFCR99332 SKFH222 SKFNCF2936CV SKFNU1068MA SKFSAF22628 SKFSC71922DB/P7 SKFSNL516TURU SKFYHC209-108-2LS8W/VT357

FYC20TFY-轴承法兰单元近似的SKF轴承型号

SKFFYTL20THR SKFPFD20TF SKFFY20FM SKFFYTB20WF SKFPF20TR SKFFYTB20TF SKFFY20TF SKFFYTB20FM SKFPFT20FM SKFFYTBK20TF SKFFYC20FM SKFFYC20WF

用户关注最多的轴承狗热门型号

INA  PHEY25 TIMKEN  31597/31521 NTN  61888 FAG  32303-A FAG  SNV120-L + 20213-K-TVP-C3 + H213X204 + TCV513X204 SNR  7204AC/DF 国产  N309M/Z2 ZKL  30305 DKF  7211AC TIMKEN  595/592D FAG  HCB71913-E-2RSD-T-P4S FAG  SNV125-L + 1214-TVH + FSV214 INA  K25X30X17 TIMKEN  A-5238-WS NSK  F688A

版权所有©2009-2015 轴承狗zcgou.com ICP备案:津ICP备14004550号-13