SKFFY1.3/4TF/VA228轴承详细参数

发布时间:2026-04-15
用于高温的Y-轴承单元,带法兰单元,方轴承座, 英制轴承
尺寸 基本负荷额定值 质量 型号
静态 轴承单元 轴承座 轴承
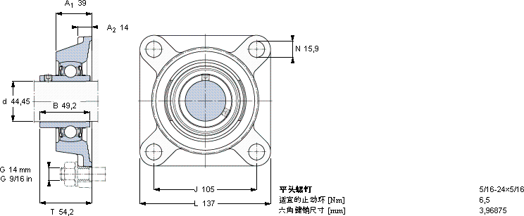
d A1 J L T C0
mm kN kg -
44,453910513754,221,62,10FY 1.3/4 TF/VA228FY 509 U/VA228YAR 209-112-2FW/VA228

SKFFY1.3/4TF/VA228工程产品供应商

八零动力专业销售FY1.3/4TF/VA228工程产品,库存SKFFY1.3/4TF/VA228大量现货,与SKF合作,咨询热线:022-58519723业务咨询
SKFFY1.3/4TF/VA228优秀的设计理念和精湛的制造工艺,成就了这款优秀的轴承精湛的制造工艺赋予了这款轴承出色的性能和可靠性高品质的轴承,在各种复杂环境下都能稳定发挥作用它虽小,却是工业革命的基石 轴承的性能可靠,为机械设备的稳定运行立下汗马功劳它的耐用性,让人惊叹不已 ,八零动力SKF工程产品品种全,价格优,质量有保证!

用户关注最多的SKF轴承型号

SKF23048CCK/W33+OH3048H* SKF2x7324BCBM SKF51172F SKF5203A-2ZTN9 SKF7018ACE/HCP4A SKF7215BECBY SKFC7009DB/P7 SKFCR25X52X8HMSA10V SKFCR32X47X6HMSA10V SKFCR5605 SKFGEC800FBAS SKFHA310 SKFNNU41/950M/W33 SKFNUTR45A SKFRN-2.5x21.8BF/G2

FY1.3/4TF/VA228工程产品近似的SKF轴承型号

SKFSY20TF/VA228 SKFSY50TF/VA228 SKFFYT35TF/VA228 SKFSY45TF/VA228 SKFSY55TF/VA228 SKFFYT55TF/VA228 SKFFYT3/4TF/VA228 SKFFYT1.3/16TF/VA228 SKFFY45TF/VA228 SKFFY2.3/16TF/VA228 SKFFY1.3/4TF/VA201 SKFFY1.3/4TR

用户关注最多的轴承狗热门型号

FAG  H24036-HG 国产  6004N NTN  21319CCK NTN  2310 FAG  BND2234-H-C-Y-AF-S SNR  7014AC/DT SKF  21318E* SKF  CR538565 NSK  7917A5DF FAG  SNV140-L + 22313-E1 + FSV313 SKF  22308CCK/W33 LYC  23136 CAK/W33C4S2 KOYO  23296RHAK+AHX3296 IKO  CFE16UU IKO  LSB6...SL

版权所有©2009-2015 轴承狗zcgou.com ICP备案:津ICP备14004550号-13