SKFFY1.3/4TF轴承详细参数

发布时间:2026-04-15
Y-型轴承带法兰单元, 方形铸造轴承座,平头螺钉锁定, 英制轴承
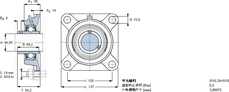
尺寸 基本负荷额定值 限制速度 质量 型号
动态 静态 轴承单元 轴承座 轴承
d A1 J L T C C0带轴公差h6
mm kN r/min kg -
44,453910513754,233,221,643002,12FY 1.3/4 TFFY 509 UYAR 209-112-2F

SKFFY1.3/4TFY-轴承法兰单元供应商

八零动力专业销售FY1.3/4TFY-轴承法兰单元,库存SKFFY1.3/4TF大量现货,与SKF合作,咨询热线:022-58519723业务咨询
SKFFY1.3/4TF它的轴向跳动控制,确保了机械的平稳运行 它的密封性能,减少了润滑剂的泄漏 它的沟槽设计,完美匹配滚动体的运动轨迹 它的加工设备,代表了世界领先水平 稳定持久它机械世界的心脏,默默支撑着无数设备的运转 ,八零动力SKFY-轴承法兰单元品种全,价格优,质量有保证!

用户关注最多的SKF轴承型号

SKF1213 SKF1219K SKF22334CCJA/W33VA406 SKF316353DA SKF708ACD/P4A SKF7332B/DT SKFCR26877 SKFCR37396 SKFCR85085 SKFCR6330 SKFNA4836 SKFNU417M SKFNUP219ECP SKFWS89430 SKFYAR207-104-2RF

FY1.3/4TFY-轴承法兰单元近似的SKF轴承型号

SKFFYTBK20TF SKFPF15/16RM SKFFYJ60KF SKFFY30WF SKFPFT1.3/16FM SKFPF7/8RM SKFFYM2.3/16TF/AH SKFPFT5/8RM SKFFY1.1/2WF SKFFYT1.1/4RM SKFFY1.3/4RM SKFFY1.3/4TF/AH

用户关注最多的轴承狗热门型号

FAG  S3024-H-N-FZ-AB-L + 230SM110-MA TIMKEN  HM804846/HM804810 SKF  CR32560 TIMKEN  64452A/64713 STEYR  2322K SNR  7310C FLT  NU2218 FAG  SNV140-L + 2313-K-TVH-C3 + H2313X206 + DHV613 SKF  NK35/30TN 国产  NU305M SKF  PFT25WF NSK  LM475720-1 NTN  30306 LYC  6218 E/YBS1/C3 SKF  CR63X90X10HMS5V

版权所有©2009-2015 轴承狗zcgou.com ICP备案:津ICP备14004550号-13