
SKFFY1.1/2TF/VA228轴承详细参数
发布时间:2026-04-14
| | | | | | | | | | |
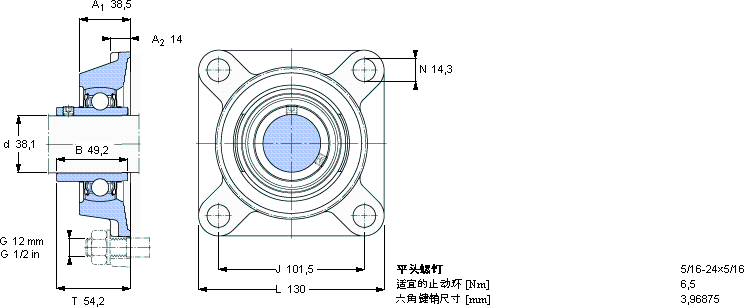
| 用于高温的Y-轴承单元,带法兰单元,方轴承座, 英制轴承 |
 |
| 尺寸 | 基本负荷额定值 | 质量 | 型号 |
| | 静态 | 轴承单元 | 轴承座 | 轴承 |
| d | A1 | J | L | T | C0 |
 |
| mm | kN | kg | - |
 |
| 38,1 | 38,5 | 101,5 | 130 | 54,2 | 19 | 1,95 | FY 1.1/2 TF/VA228 | FY 508 U/VA228 | YAR 208-108-2FW/VA228 |
SKFFY1.1/2TF/VA228工程产品供应商
- 八零动力专业销售FY1.1/2TF/VA228工程产品,库存SKFFY1.1/2TF/VA228大量现货,与SKF合作,咨询热线:022-58519723

- SKFFY1.1/2TF/VA228这款轴承的精度极高,能够满足对精度要求苛刻的设备为设备的精确运行提供了保障,该轴承的精度控制精准,为设备的精确运行提供了保障不得不说,这款轴承的品质过硬,在行业内堪称典范,坚固耐用为您的机械提供持久动力,它的润滑技术,让摩擦降至最低 ,八零动力SKF工程产品品种全,价格优,质量有保证!
用户关注最多的SKF轴承型号
SKF1302ETN9
SKF29318
SKF332394
SKF6317-2Z*
SKF7212AC/DT
SKF7221AC
SKFAOHX3292G
SKFCR44917
SKFN2319
SKFNUP204ECML
SKFSAFC2616x2.5/8
SKFSNW126x4.3/8
SKFTU2.TF
SKFW618/4
SKFZ207F