

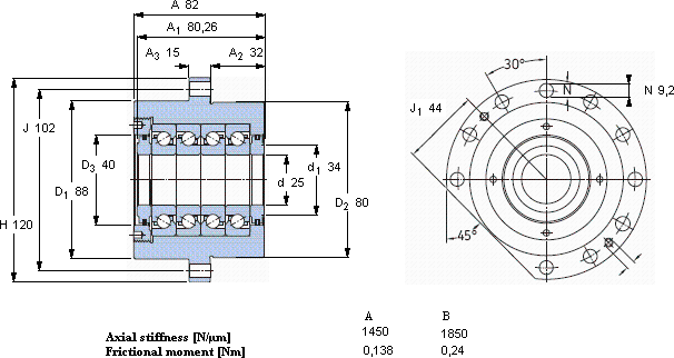
| 角接触推力球轴承 for screw drives, cartridge units with flanged housing | |||||||||||
| 主要数据尺寸 | 基本负荷额定值 | 疲劳负荷限值 | 可达到的速度 | 体积 | 型号 | ||||||
| 动态 | 静态 | 预压 | SKF | SNFA | |||||||
| A | B | ||||||||||
| d | D2 | A | C | C0 | Pu | ||||||
| mm | kN | kN | r/min | kg | - | ||||||
| 25 | 80 | 82 | 36,512 | 104 | 3,86 | 4500 | 2250 | 3,5 | FBSA 205/ QBC | BSQU 225 TDT | |
版权所有©2009-2015 轴承狗zcgou.com ICP备案:津ICP备14004550号-13