
SKFCR99605轴承详细参数
发布时间:2026-05-29
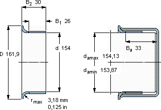
| | | | | | | | | | |
| 耐磨套管, SKF SPEEDI-SLEEVE | | |
 |
| 轴 | SKF SPEEDI-SLEEVE | | |
| | 尺寸 | 型号 | US stock | 说明 |
| da | d | D | B1 | B2 | Ba | number | |
| 最小 | 最大 | ±1,6 mm | ±0,8 mm | ±0,8 mm | ≈ | | |
| | | | ±0,063 in | ±0,031 in | ±0,031 in | | | | |
 |
| mm | mm | - | - | - |
 |
| 153,87 | 154,13 | 154 | 161,9 | 26 | 30 | 33 | CR 99605 | 99605 | |
SKFCR99605耐磨轴套供应商
- 八零动力专业销售CR99605耐磨轴套,库存SKFCR99605大量现货,与SKF合作,咨询热线:022-58519723

- SKFCR99605它的耐用性,赢得了无数用户的信赖 高品质的轴承,在各种复杂环境下都能稳定发挥作用它的质量可靠,是众多机械设备制造商的首选配件它的长寿命,减少了更换频率 是您值得信赖的工业伙伴,为您的机械保驾护航它的设计巧妙,在保证性能的同时,还兼顾了安装的便捷性,八零动力SKF耐磨轴套品种全,价格优,质量有保证!
用户关注最多的SKF轴承型号
SKF2x7314BEGAP*
SKF71914CE/P4A
SKF7319BECBY
SKFBC4B457984VCA
SKFBT1B332335/HA4
SKFBT4B334011
SKFC71913DB/P7
SKFCR37X50X6HMSA10RG
SKFCR419993
SKFCR75X90X10HMS5V
SKFCR86405
SKFLM245848/810
SKFNF211ECMB*
SKFNJ318E+HJ318E
SKFNNU40/950M/W33