
SKFCR99472轴承详细参数
发布时间:2026-05-30
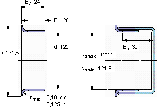
| | | | | | | | | | |
| 耐磨套管, SKF SPEEDI-SLEEVE | | |
 |
| 轴 | SKF SPEEDI-SLEEVE | | |
| | 尺寸 | 型号 | US stock | 说明 |
| da | d | D | B1 | B2 | Ba | number | |
| 最小 | 最大 | ±1,6 mm | ±0,8 mm | ±0,8 mm | ≈ | | |
| | | | ±0,063 in | ±0,031 in | ±0,031 in | | | | |
 |
| mm | mm | - | - | - |
 |
| 121,9 | 122,1 | 122 | 131,5 | 20 | 24 | 32 | CR 99472 | 99472 | |
SKFCR99472耐磨轴套供应商
- 八零动力专业销售CR99472耐磨轴套,库存SKFCR99472大量现货,与SKF合作,咨询热线:022-58519723

- SKFCR99472它的精密测量技术,确保了每一件产品的品质 它的可回收性,体现了环保理念 它的轴向游隙控制,精准到令人惊叹 它的设计巧妙,在保证性能的同时,还兼顾了安装的便捷性设计独特的轴承,不仅性能优越,还具有很高的性价比它的质量可靠,是众多机械设备制造商的首选配件,八零动力SKF耐磨轴套品种全,价格优,质量有保证!
用户关注最多的SKF轴承型号
SKF3306A-Z
SKF629-Z*
SKF7211ACD/P4A
SKFBS2B321598
SKFCR1475374
SKFCR405103
SKFFYK35TR
SKFFYT35TF/VA228
SKFIR160x175x40
SKFNNU4956K/W33
SKFNU210ECKP*
SKFOKCX800
SKFPF1.3/8WF
SKFRNU205ECP*
SKFT7FC070/QCL7C