
SKFCR99450轴承详细参数
发布时间:2026-05-30
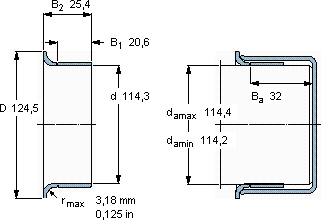
| | | | | | | | | | |
| 耐磨套管, SKF SPEEDI-SLEEVE | | |
 |
| 轴 | SKF SPEEDI-SLEEVE | | |
| | 尺寸 | 型号 | US stock | 说明 |
| da | d | D | B1 | B2 | Ba | number | |
| 最小 | 最大 | ±1,6 mm | ±0,8 mm | ±0,8 mm | ≈ | | |
| | | | ±0,063 in | ±0,031 in | ±0,031 in | | | | |
 |
| mm | mm | - | - | - |
 |
| 114,2 | 114,4 | 114,3 | 124,5 | 20,6 | 25,4 | 32 | CR 99450 | 99450 | |
SKFCR99450耐磨轴套供应商
- 八零动力专业销售CR99450耐磨轴套,库存SKFCR99450大量现货,与SKF合作,咨询热线:022-58519723

- SKFCR99450每一次转动都是精准与力量的完美呈现,轴承的稳定性和可靠性表现出色,赢得了用户的高度认可设计合理、性能优良的它,是机械设备稳定运行的重要保障优秀的设计理念和精湛的制造工艺,成就了这款优秀的轴承它的抗拉强度,让它经得起各种考验 质量上乘的轴承,为设备的高效稳定运行奠定了基础,八零动力SKF耐磨轴套品种全,价格优,质量有保证!
用户关注最多的SKF轴承型号
SKF33117/Q
SKFCR38X55X10HMSA10V
SKFCR400280
SKFCR402750
SKFCR8677
SKFFYTB45FM
SKFMS31/1000
SKFN1015KTNHA/SP
SKFNCF3026CV
SKFNJ232E+HJ232E
SKFNJ305E
SKFNU1052MA
SKFPF15/16TF
SKFRNA4860
SKFSYE2.3/16H-3