
SKFCR99413轴承详细参数
发布时间:2026-05-30
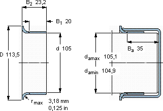
| | | | | | | | | | |
| 耐磨套管, SKF SPEEDI-SLEEVE | | |
 |
| 轴 | SKF SPEEDI-SLEEVE | | |
| | 尺寸 | 型号 | US stock | 说明 |
| da | d | D | B1 | B2 | Ba | number | |
| 最小 | 最大 | ±1,6 mm | ±0,8 mm | ±0,8 mm | ≈ | | |
| | | | ±0,063 in | ±0,031 in | ±0,031 in | | | | |
 |
| mm | mm | - | - | - |
 |
| 104,9 | 105,1 | 105 | 113,5 | 20 | 23,2 | 35 | CR 99413 | 99413 | |
SKFCR99413耐磨轴套供应商
- 八零动力专业销售CR99413耐磨轴套,库存SKFCR99413大量现货,与SKF合作,咨询热线:022-58519723

- SKFCR99413高精度的轴承,为设备的稳定运行提供了坚实保障它的质量可靠,是众多机械设备制造商的首选配件它的品质卓越,为机械设备的高效运行提供了坚实后盾它的精密设计,展现了人类智慧的巅峰 这轴承的制造工艺精湛,展现出了极高的工业水准它的可回收性,减少了废弃物处理成本 ,八零动力SKF耐磨轴套品种全,价格优,质量有保证!
用户关注最多的SKF轴承型号
SKF24140CCK30/W33+AH24140*
SKF231/530CA/W33*
SKF33017T70/QDB
SKF81156
SKFCR17406
SKFCR99333
SKFGEH40ES-2RS
SKFGS81280
SKFHE3134L
SKFIR32x40x20
SKFIR45x55x22
SKFNJ2320E
SKFNU19/600ECMA/HA1
SKFNUZ1848ECMA
SKFSAF22338