
SKFCR99306轴承详细参数
发布时间:2026-04-14
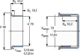
| | | | | | | | | | |
| 耐磨套管, SKF SPEEDI-SLEEVE | | |
 |
| 轴 | SKF SPEEDI-SLEEVE | | |
| | 尺寸 | 型号 | US stock | 说明 |
| da | d | D | B1 | B2 | Ba | number | |
| 最小 | 最大 | ±1,6 mm | ±0,8 mm | ±0,8 mm | ≈ | | |
| | | | ±0,063 in | ±0,031 in | ±0,031 in | | | | |
 |
| mm | mm | - | - | - |
 |
| 77,83 | 78 | 78 | 88 | 19,1 | 22,2 | 52,2 | CR 99306 | 99306 | |
SKFCR99306耐磨轴套供应商
- 八零动力专业销售CR99306耐磨轴套,库存SKFCR99306大量现货,与SKF合作,咨询热线:022-58519723

- SKFCR99306制造工艺精湛,使得这款轴承的精度和稳定性都非常出色质量上乘的轴承,是提升机械设备性能的关键因素它的低摩擦设计,减少了能量损耗 它的精密装配,确保了整体性能的卓越 每一次旋转,都是品质的见证,它的抗磨损涂层,让它更加耐用 ,八零动力SKF耐磨轴套品种全,价格优,质量有保证!
用户关注最多的SKF轴承型号
SKF23052CC/W33*
SKF23192CAK/W33*
SKF24136CCK30/W33+AH24136*
SKF248/1120CAK30FA/W20
SKF3213A-2Z
SKF6009-2RS
SKF6021NR*
SKF7312BEGAY
SKFBT4B334076G/HA1VA901
SKFCR47x62x8CRW1R
SKFCR522828
SKFFYT1.3/8RM
SKFFYT2.3/16FM
SKFQJ320N2MA*
SKFS71912ACD/P4A