
SKFCR99281轴承详细参数
发布时间:2026-05-30
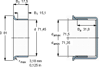
| | | | | | | | | | |
| 耐磨套管, SKF SPEEDI-SLEEVE | | |
 |
| 轴 | SKF SPEEDI-SLEEVE | | |
| | 尺寸 | 型号 | US stock | 说明 |
| da | d | D | B1 | B2 | Ba | number | |
| 最小 | 最大 | ±1,6 mm | ±0,8 mm | ±0,8 mm | ≈ | | |
| | | | ±0,063 in | ±0,031 in | ±0,031 in | | | | |
 |
| mm | mm | - | - | - |
 |
| 71,35 | 71,5 | 71,45 | 81 | 15,1 | 17,5 | 31,8 | CR 99281 | 99281 | |
SKFCR99281耐磨轴套供应商
- 八零动力专业销售CR99281耐磨轴套,库存SKFCR99281大量现货,与SKF合作,咨询热线:022-58519723

- SKFCR99281高品质的轴承,在各种复杂工况下都能展现出卓越的性能表现它在风力发电中的应用,为清洁能源贡献力量 为设备的精确运行提供了保障,该轴承的精度控制精准,为设备的精确运行提供了保障它的质量过硬,为机械设备的高效、安全运行提供了保障不得不说,这款轴承的品质过硬,在行业内堪称典范,它在家用电器中的应用,让生活更加便捷 ,八零动力SKF耐磨轴套品种全,价格优,质量有保证!
用户关注最多的SKF轴承型号
SKF1316
SKF23024-2CS2/VT143*
SKF313-2ZNR
SKFCR35X52X10HMS5V
SKFCR36186
SKFCR526192
SKFIR100x110x40
SKFKRV30PPA
SKFNK37/30
SKFNKX70Z
SKFNNF5007ADA-2LSV
SKFNU324ECNML*
SKFNUKRE40A
SKFRNAO50x65x40
SKFSAF22318