
SKFCR99080轴承详细参数
发布时间:2026-05-30
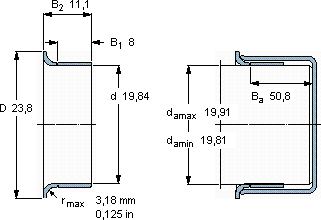
| | | | | | | | | | |
| 耐磨套管, SKF SPEEDI-SLEEVE | | |
 |
| 轴 | SKF SPEEDI-SLEEVE | | |
| | 尺寸 | 型号 | US stock | 说明 |
| da | d | D | B1 | B2 | Ba | number | |
| 最小 | 最大 | ±1,6 mm | ±0,8 mm | ±0,8 mm | ≈ | | |
| | | | ±0,063 in | ±0,031 in | ±0,031 in | | | | |
 |
| mm | mm | - | - | - |
 |
| 19,81 | 19,91 | 19,84 | 23,8 | 8 | 11,1 | 50,8 | CR 99080 | 99080 | |
SKFCR99080耐磨轴套供应商
- 八零动力专业销售CR99080耐磨轴套,库存SKFCR99080大量现货,与SKF合作,咨询热线:022-58519723

- SKFCR99080这轴承的精度控制令人佩服,为设备的精准运行提供了保障它的质量可靠,是众多机械设备制造商的首选配件旋转不息它机械世界的心脏,默默支撑着无数设备的运转 高精度低摩擦高精度的制造工艺,让这款轴承的性能更加出色,八零动力SKF耐磨轴套品种全,价格优,质量有保证!
用户关注最多的SKF轴承型号
SKF239/750CAK/W33+OH39/750H*
SKF33015/QDF
SKF7219BEGAM*
SKFC3068KM*
SKFCR16289
SKFFBSA206A/QFC
SKFHM88649/2/610/2/QCL7C
SKFN304E
SKFPCM161825E
SKFPCMF121407B
SKFQJ1248MA/344524
SKFSNW3024x4.1/8
SKFSYFL35TR/VE495
SKFSYK30TR
SKFUELP209