
SKFCR99076轴承详细参数
发布时间:2026-05-30
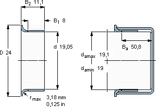
| | | | | | | | | | |
| 耐磨套管, SKF SPEEDI-SLEEVE | | |
 |
| 轴 | SKF SPEEDI-SLEEVE | | |
| | 尺寸 | 型号 | US stock | 说明 |
| da | d | D | B1 | B2 | Ba | number | |
| 最小 | 最大 | ±1,6 mm | ±0,8 mm | ±0,8 mm | ≈ | | |
| | | | ±0,063 in | ±0,031 in | ±0,031 in | | | | |
 |
| mm | mm | - | - | - |
 |
| 19 | 19,1 | 19,05 | 24 | 8 | 11,1 | 50,8 | CR 99076 | 99076 | |
SKFCR99076耐磨轴套供应商
- 八零动力专业销售CR99076耐磨轴套,库存SKFCR99076大量现货,与SKF合作,咨询热线:022-58519723

- SKFCR99076它的品质卓越,为机械设备的高效运行提供了坚实后盾它的尺寸一致性,让批量生产成为可能 它的质量卓越,为机械设备的安全运行保驾护航它的模块化设计,让安装和更换变得轻松便捷 这轴承的稳定性极佳,即使在恶劣环境下也能正常工作它在矿山设备中的应用,确保了设备的高负载能力 ,八零动力SKF耐磨轴套品种全,价格优,质量有保证!
用户关注最多的SKF轴承型号
SKF231/500CAK/W33*
SKF24156CC/W33
SKF812/500
SKFBA1B311585
SKFCR120X160X12HMSA10V
SKFCR145X175X15HMS5RG
SKFCR407003
SKFCR63X85X10HMS5RG
SKFCR75053
SKFIR320x350x80
SKFNCF2920CV
SKFNU1007ECP
SKFPFD1.9/16TF
SKFRNA4907
SKFTUJ45TF