
SKFCR99049轴承详细参数
发布时间:2026-04-14
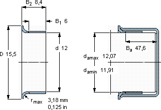
| | | | | | | | | | |
| 耐磨套管, SKF SPEEDI-SLEEVE | | |
 |
| 轴 | SKF SPEEDI-SLEEVE | | |
| | 尺寸 | 型号 | US stock | 说明 |
| da | d | D | B1 | B2 | Ba | number | |
| 最小 | 最大 | ±1,6 mm | ±0,8 mm | ±0,8 mm | ≈ | | |
| | | | ±0,063 in | ±0,031 in | ±0,031 in | | | | |
 |
| mm | mm | - | - | - |
 |
| 11,91 | 12,07 | 12 | 15,5 | 6 | 8,4 | 47,6 | CR 99049 | 99049 | |
SKFCR99049耐磨轴套供应商
- 八零动力专业销售CR99049耐磨轴套,库存SKFCR99049大量现货,与SKF合作,咨询热线:022-58519723

- SKFCR99049它的滚动体分布均匀,运转平稳无振动 先进的制造技术和严格的质量检测,造就了这款优质轴承轴承的精度和稳定性都达到了行业顶尖水平精湛的制造工艺赋予了这款轴承卓越的性能和品质 制造工艺精湛,使得这款轴承的精度和稳定性都非常出色这轴承的精度控制令人佩服,为设备的精准运行提供了保障,八零动力SKF耐磨轴套品种全,价格优,质量有保证!
用户关注最多的SKF轴承型号
SKF22326CCJA/W33VA406
SKF2318M
SKF32009X/Q
SKF607-2Z*
SKFBGSB358221
SKFCR25725
SKFCR400x450.8x22.23HS8R
SKFCR4251
SKFCR55X80X10HMSA10RG
SKFFYC55TF
SKFFYRP2.11/16H-18
SKFNJ2214E+HJ2214E
SKFNU426
SKFSYE3.1/2NH
SKFWS89315